Комплектность системы
В комплектацию Starline вошло все необходимое для ее полноценного использования. Каждый водитель после правильной установки сможет легко управлять противоугонной системой.
- блок управления;
- силовой модуль;
- основной и дополнительный брелоки;
- провода;
- реле с колодкой;
- кнопка «Сервис»;
- датчик температуры мотора;
- светодиоид состояния сигнализации;
- переходник для специальных датчиков;
- выключатель капота;
- инструкция пользователя.
Для обеспечения безопасности перед применением автозапуска стоит убедиться, что включен стояночный тормоз, а для работы двигателя имеется все необходимое – топливо, масло, смазочные материалы.
При покупке Старлайн владельцам авто предоставляется 80% скидка на страхование КАСКО от риска хищения. Также для удобства пользователей работает круглосуточная техническая поддержка.
Преимущества и недостатки
К основным плюсам автомобильной сигнализации Старлайн следует отнести:
- Поддержку большого количества полезных функций, обеспечивающих максимальную безопасность и комфорт управления машиной. В их числе: обратная связь, программирование автозапуска и др.
- Возможность удаленного запуска двигателя.
- Применение GSM-каналов связи для отправки важных сведений о состоянии и координатах автомобиля с любой точки мира.
- Наличие CAN-интерфейса. За счет наличия этого элемента процесс подключения «сигналки» сильно упрощается. У пользователя не возникнет необходимости привязываться к штатной электрической сети.
- Низкое потребление электроэнергии. При обширном наборе функций система расходует небольшое количество электроэнергии и не боится износа. Продолжительность автономной работы достигает 60 дней.
- Наличие подробного руководства по эксплуатации. Изучив его, пользователь может самостоятельно поменять настройки «сигналки» или перепрограммировать ее под себя.

Что касается недостатков, то их немного. В первую очередь это отсутствие стабильности работы автозапуска при наличии штатного иммобилайзера. Для устранения проблем достаточно использовать модуль обхода блокировки. Еще пользователи указывают на плохое качество приема сигнала, хотя производителем заявляется другая информация.
Степень защиты
Как и все современные сигнализации StarLine, модель A63 использует диалоговый код со 128-битным шифрованием AES. Это означает, что с использованием современных средств взломать сигнализацию кодграббером невозможно, и при грамотной установке даже базового комплекта с единственным реле блокировки возможно получить высокую стойкость к угону.
Сигнализация поддерживает работу с беспроводным радиореле блокировки StarLine R3 – это основная рекомендация при увеличении степени защиты автомобиля. Такое реле не имеет физической связи с центральным блоком, поэтому его сложно обнаружить по идущим от блока проводам, а при физическом отключении центрального блока или его радиомодуля продолжает блокировать запуск.
Видео: StarLine A63, A93 основные функции управления
Все автовладельцы знают, что автосигнализации в транспортном средстве способна обеспечить его безопасность. Предложения рынка по выбору таких систем многогранны. Популярностью пользуются сигнализации StarLine, сочетающие хорошее соотношение стоимости и качества.
О производителе
StarLine занимает лидирующие позиции на рынке охранного автомобильного оборудования в России. Продукция характеризуется простотой установки и управления, высокими показателями качества и приемлемой ценой.
Гарантия на нее 3 года.
Сигнализация защищается при помощи наилучших методов шифрования, учтено большинство профессиональных кодграбберов.
Бренд StarLine принадлежит компании Ультрастар, заявившей о себе в 1988. С 1991 стали выпускать защитные системы для авто, управляемые дистанционно. Компания располагается в Янино Ленинградской области.
Производственная мощность составляет 4 тыс. штук за сутки. Выполняются поставки продукции по всей территории России и ближнего зарубежья.
Многие владельцы транспортных средств отдают предпочтение автосигнализации StarLine:
- Она зарекомендовала себя, как надежная система при невысокой цене.
- Ее отличительной характеристикой от иных систем, по мнению автовладельцев, является совместимость с кнопкой старт/стоп.
- Особенно удобно то, что поставив машину на охрану в автоматическом режиме, происходит складывание зеркал и окон.
- Запустить обогреватель пользователь может дистанционно.
- При передвижении машины автоматически может включиться ближний свет. Также когда осуществляется автозапуск предусмотрено включение подогрева сидений и стекол. Такой функционал позволяет комфортно пользоваться автомобилем. Его разработка проводилась, с внедрением новейших технологий.
- Производитель предусмотрел наличие многоканального радио тракта. Водители отмечают, что с его помощью обеспечивается дальность и предоставляется надежная защита от городских помех.
- Водителям нравится то, что она обладает множеством опций.
- За счет CSM/GPS можно узнать о месторасположении транспортного средства.
- Управление сигнализацией выполняется при пользовании мобильным телефоном.
- Среди прочих достоинств, противоугонной системы автовладельцы отмечают сложный цифровой код. Он существенно затрудняет попытки взлома системы.
Недостатков не так уж и много. Одним из таких по мнению пользователей, выступает возможность получения данные о машине на расстоянии не более одного километра.
Версии и технические характеристики систем
Охранно-телематический комплекс StarLine Е93
Обладает интеллектуальным автозапуском. Также он имеет несканируемый диалоговый код управления.
Брелок характеризуется ударопрочностью, а также 128-канальный помехозащищенный трансивер при радиусе оповещения до 2 тыс. метров.
Наличие комплектующих высшего качества способны обеспечить бесперебойную работу системы, при любых погодных условиях, начиная от -50 до +85 градусов.
Разработчиками при выпуске автосигнализации были применены запатентованные технологии и программные решения.
Таким образом, система обеспечивает гарантию сохранения заряда аккумуляторной батареи на должном уровне в течение шестидесяти дней.
Стоимость системы составляет 8.200 рублей.
Автосигнализация Starline E93 2CAN-LIN
Характеризуется идеальным функционированием в условиях городских радиопомех.
В ней предусмотрена двухсторонняя связь. Охранный комплекс имеет прочнейший брелок с эргономичным дизайном. Система отличается стабильной работой независимо от условий погоды.
Встроенный GSM-модуль дает возможность производить владельцу машины управление с мобильника.
Приобрести систему можно за 11.350 рублей.
Технические характеристики
Обозначим ключевые технические характеристики:
- Базовый пульт управления имеет максимальный радиус действия в 600 метров.
- Рабочая частота брелоков составляет 434 МГц.
- Основной блок функционирует при температуре от -40 до +85 °С.
- Дополнительный брелок нормально работает в радиусе 15 метров.
- Пейджер в базовом блоке может принимать сигнал на расстоянии 1200 метров.
- В диапазоне 9 – 18 В находится напряжение питания.
Важно понимать, что радиус действия пейджера, пультов может сокращаться. Здесь своё влияние оказывает целый ряд негативных факторов: это помехи и плотность застройки, погодные условия и зона монтажа антенны в машине, заряд батареи и взаимное расположение передатчика с приёмником
Технические характеристики
Модельный ряд выпуска сигнализаций от этой фирмы достаточно широк, и общее характеристики можно свести к таким параметрам:
- Частота радиосигнала – 420-440МГц.
- Радиус действия обычного брелка – 600-800 метров.
- Дальность распространения радиоволн ЖК брелка с обратной связью – 1000-2100 метров.
- Действие вспомогательного – 15-20 метров.
- Рабочий температурный режим устройства – от -40°С до +80°С.
- Основное питание центра центрального модуля от аккумулятора – постоянный ток 9-18V.
- Питание ЖК брелка – батарейка 1.5V («мини пальчик»).
- Питание стандартного брелка – батарейка плоская, CR2032 3V.
Описание работы системы
Канал обмена информацией между центральным блоком и брелоками защищен так называемым диалоговым кодом. При обмене данные многократно пересылаются между компонентами системы с использованием индивидуальных ключей шифрования длиной 128 бит. Такой способ недоступен для взлома ни одним существующим на данный момент кодграббером. Проблемой загрязненности эфира радиопомехами страдают многие крупные города, не все сигнализации справляются в таких условиях. Использование E60 в мегаполисе будет весьма комфортным, для передачи данных служит узкополосный трансивер, который работает на 128 каналах.
Безопасности в эксплуатации придают и пара режимов:
- Режим иммобилайзера. Двигатель блокируется через 30 секунд после выключения зажигания.
- Режим антиограбления. Он предотвратит несанкционированный захват автомобиля во время движения. При открытии двери будет заблокирован двигатель и включены постоянные сигналы сирены.
СтарЛайн может и сэкономить денег, известно, что после активного использования нагнетатель турбо-мотора нужно остужать, гоняя его на холостых оборотах. Функция турботаймера в Е60 продлит жизнь агрегата. Сама сигнализация тоже не лыком шита, спокойно работает в диапазоне температур от -50 до +80 градусов Цельсия.
Как поставить на автозапуск старлайн. Пользуемся с удовольствием!
Для самых требовательных клиентов специалисты предусмотрели специальные гибкие каналы Flex. Они позволяют запрограммировать требуемые временные параметры импульсов для реализации, например, складывания зеркал, срабатывания стеклоподъемников на закрытие, подъема рулевой колонки и т.д., после снятия и постановки на охрану.

StarLine D94 B94 D64 B64
Системы D64 и B64 не имеют возможности запуска двигателя.
Для систем StarLine D94 и B94 могут использоваться два варианта в зависимости от прошивки (если прошивка более новая, то скорее всего используется первый вариант запуска).
Вариант 1
Нажмите на брелке кнопку 1 длительно примерно на 3 секунды (до появления двух мелодичных сигналов), затем отпустите кнопку, двигатель запустится.
Вариант 2
Дистанционный запуск двигателя осуществляется последовательным нажатием кнопок 1 и 3 брелка. нажмите кнопку 1 длительно примерно на 3 секунды (до звукового сигнала), а затем кнопку 3 коротко.
Программирование пин-кода
Установка пин-кода брелка для экстренного отключения сигнализации необходима, так как серьезно повышает защищенность системы. В Старлайн Е90 этот код может состоять из 1,2 или 3 цифр от 1 до 6, то есть всего доступно 258 различных вариантов.
Заводское значение пин-кода – 3, он же устанавливается после сброса на заводские настройки. Стереть пин-код отдельно на Е90 невозможно.
Чтобы задать пин-код, нужно сначала задать его длину в настройках сигнализации (см. ниже), затем при вsключенном зажигании четырежды нажмите сервисную кнопку Valet. Затем включите зажигание и введите первую цифру кода:
| Цифра кода | Кнопки |
| 1 | 1 |
| 2 | 2 |
| 3 | 3 |
| 4 | 1 длительно, затем кратко |
| 5 | 2 длительно, затем кратко |
| 6 | 3 длительно, затем кратко |
Если Вы выбрали в настройках двух- или трехзначный пин-код, повторите эти действия для последующих цифр.
Инструкции к сигнализациям Starline серии А90
Предлагаем вашему вниманию полные инструкции к каждой модели охранных систем линейки А:
Инструкция starline a91
Инструкция starline a91 dialog
Инструкция starline a92 dialog
Инструкция starline a93
Инструкция starline a93 eco
Инструкция starline A94 Dialog CAN
Инструкция starline a95
Каждая инструкция содержит подробную информацию о том, как управлять охранными возможностями системы и как подключить дополнительные функции. К руководству также прилагается графическая схема подключения сигнализации, в соответствии с которой можно произвести монтаж системы самостоятельно.
Схемы подключения моделей starline приведены ниже:
Гибкое конфигурирование
Серьезное достоинство Е91 — применение флекс-каналов, которые могут произвольно программироваться как по событию активации, так и по алгоритму работы. Благодаря этому сигнализация адаптируется к автомобилям, где для корректной работы охранной системы нужны дополнительные подключения (как уже упомянутая выше имитация открытия двери водителя), и способна реализовывать функции комфорта.
Таким образом систему состыковывают с предпусковым подогревателем, запрограммировав один из флекс-каналов на управление им, настраивают складывание зеркал после постановки на охрану и так далее. Один из четырех дополнительных каналов активируется из мобильного приложения, этот канал выбирается в сервисном меню центрального блока.
При настройке каждого дополнительного канала последовательно программируются:
- Задержка от момента активации до первого импульса (от 1 секунды до 999).
- Длительность первого импульса (до 998 секунд, при установке значения 999 дополнительный канал включается на неограниченное время, пока не произойдет событие отключения).
- Задержка до подачи второго импульса, если на шаге 2 не установлено неограниченное время.
- Длительность второго импульса (аналогично настройке первого).
Установка значения 0 на любом из шагов означает его пропуск.
События для включения и выключения дополнительного канала устанавливаются из богатого набора вариантов, причем могут комбинироваться. Настраиваем допканал на срабатывание по закрытию центрального замка и выключению зажигания, по глушению мотора с ключа и по остановке в конце автозапуска. Одновременно используются до трех условий.
Сигнализация используется при создании несложных противоугонных комплексов на автомобилях. Однако ее архитектура делает нецелесообразной установку на машины, где потребуется силовое управление центральным замком (так как отсутствуют силовые выходы на актюаторы), и автомобили, использующие LIN-шину, не поддерживаемую системой. Реализовывать функции, связанные с LIN-шиной, придется через аналоговые подключения. К недостаткам системы стоит отнести невозможность бесключевого обхода иммобилайзера собственными силами.
Видео: StarLine E90,E91
Я думаю, у многих из логановодов (и не только)) установлена сигнализация Starline E90 или E91. И зачастую мы пользуемся только функциями «Открыть», «Закрыть», «Автозапуск», т.к. читать руководство лень, а если и прочитаешь, то все равно без практики забудешь.
У меня в комплекте шла памятка пользователя, с краткой выжимкой команд на брелке. Чтобы информация не потерялась, отсканировал и залил себе в телефон, на всякий случай. Мой друг VasilevMO (у него установлена E90 на его Солярисе)пожаловался мне, что у него такой памятки нет. Данную памятку очень тяжело найти в сети, поэтому выкладываю здесь.
Цена вопроса: 0 ₽ Пробег: 1200 км
Другие модели StarLine
StarLine A65 A66 A67 A95 A96 A97
StarLine B95 B96 B97 B66
StarLine D95 D96 D97
StarLine E63, E65, Е95, E66, E66v2, E93, E96
Для этих систем могут использоваться два варианта в зависимости от прошивки (если прошивка более новая, то скорее всего используется первый вариант запуска).
Вариант 1
Нажмите на брелке кнопку 1 длительно примерно на 3 секунды (до появления двух мелодичных сигналов), затем отпустите кнопку, двигатель запустится.
Вариант 2
Дистанционный запуск двигателя осуществляется последовательным нажатием кнопок 1 и 3 брелка. нажмите кнопку 1 длительно примерно на 3 секунды (до звукового сигнала), а затем кнопку 3 коротко.
Renault Logan 2014, двигатель бензиновый 1.6 л., 82 л. с., передний привод, механическая коробка передач — аксессуары
Подскажи пожалуйста, как включить звук сигнализации на машине при закрытии и открытии, тыкал бесшумные режимы ничего не получилось.
Дружище, ты может подскажешь как установить таймер автозапуска Е90/Е91? Весь инет прошустрил, никакой инфы, а памятки нет у меня
Ребята, кто подскажет.Купил БУ Октавию, там Старлайн Е91.Что-то по колесам бью, сигналка не срабатывает. В чем причина?Потом на брелке включил турботаймер, но тоже ничего не происходит. Пробовал и ручник натягивать и на кнопку два после остановки нажимать Не получается. Могли его не включить?
По поводу колеса — попробуйте поиграть с чувствительностью датчика — возможно предыдущему владельцу часто пинали по колесам и он его понизил))
Спасибо, вроде на средних значениях стоит. Попробую. А о турбо-таймере не знаете?
Подскажите пожалуйста, стаж небольшой, купала машину с пробегом, небольшим, шкоду фабию. Вопрос. На ней установлена сигнализация. StarLine 90 или 91, не знаю, инструкция на обе, при выключении машину с работающим двигателем (все делаю по инструкции) выхожу из машины, нажимаю 1, машинка закрывается, движок глохнет, спустя время завожу с автозапуска, т.е. 1 .потом 3, заводится, нажимаю 2. чтоб открыть. на дисплее показывает. что открыла, а машина не открывается. Приходится глушить, а потом только открывать. И не могу оставить со включенным движком, закрываю машину и глохнет движок. Подскажите, наверно что-то делаю не то.
Если Вы нажимали так же кнопку закрытия и на основном ключе — то просто нажатие кнопки 2 Вам не поможет, нужно сначала открыть дверь кнопкой 2, а затем кнопкой открывания дверей с основного ключа. Если же это не поможет, то лучше обратиться в сервис, где Вам устанавливали сигнализацию.
Спасибо. Наверно я просто некорректно задала вопрос. Завтра еду в сервис. Кнопка 1 это кнопка закрывания машины, а 2 это наоборот открывание.Все это на основном брелке.
![]()
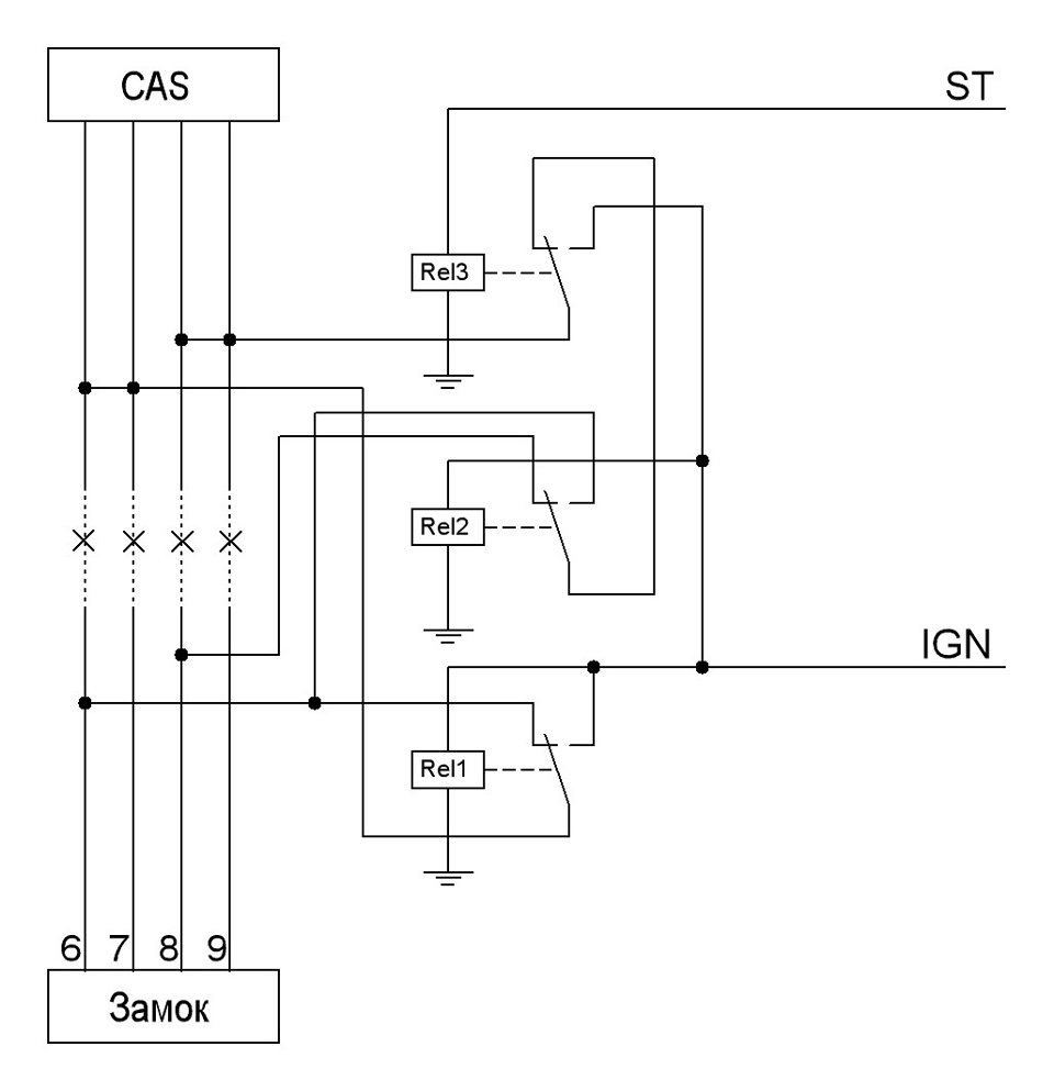
Автомобиль BMW 5 E60 2005 г.в., замок зажигания обычный ключевой, АКПП, бензин.Нужно было осуществить автозапуск с брелка. Выбрали сигнализацию для этой цели Starline B94, подошла отлично.Особенность данного автомобиля в том, что в замке зажигания стоят датчики холла вместо контактной группы. Их и будем обманывать. Собственно по этому я пишу эту статью, т.к. собирал все по крупицам, одну схему выложили, но и та немного «не доделана». Видимо информация считается «закрытой».Основные подключения я сделал на блоке CAS. Там взял питание сигнализации, can-шину, замок зажигания.Нам понадобится 5 реле (чем компактнее — тем лучше, силовой нагрузки на них нет).
Что касаемо замка зажигания — от него до блока CAS идет шлейф из 14 проводов. Отделяем от него 1, 6, 7, 8 и 9 провод (1 красным цветом, лучше проверить по номерам в разъеме).1 провод разрезаем и в разрыв подключаем обходчик иммобилайзера.6, 7, 8 и 9 провод разрезаем и делаем все по схеме.
![]()
Так же, необходимо имитировать нажатие на педаль тормоза, иначе стартер крутиться не будет. Я использовал синий провод силового модуля сигнализации запрограммированный на «дублирование стартера».Собираем так же все по схеме, и все ОК — никаких ошибок при автозапуске…Контроль педали тормоза необходимо подключить аналогово к сигнализации, и отключить в настройках can-модуля. Если этого не сделать — при запуске сигнализация будет включать тревогу и рубить запуск… Подключаем по аналогу через реле, которое отсекает контроль на момент запуска. Спасибо ТП Starline… Технарям Starline просьба — добавьте настройку — «отключить контроль педали тормоза в момент запуска»
![]()
Все остальное — ЦЗ, повороты, концевики, стекла, багажник работает через CANВот так можно установить автозапуск на эту модель BMW, без всяких «доп. модулей», хотя с ними и удобнее.Если вы в г. Норильске и не хотите заморачиваться сами — обращайтесь.
Автосигнализация starline позволяет прогреть двигатель и салон автомобиля без нахождения водителя в салоне. В жаркую погоду имеется возможность помимо запуска мотора включить кондиционер, обеспечив снижение температуры в машине. Автозапуск старлайн е90 имеет тонкую настройку для более комфортного программирования работы силовой установки. Например, активация автозапуска по будильнику позволяет иметь готовый к движению автомобиль к требуемому времени, что особо удобно при нормированном режиме дня. Также сигнализация дает возможность в любой момент заглушить двигатель.
Технические характеристики
В отличие от старых версий, Starline E90 обладает функцией автозапуска силового агрегата. Для выбора пользовательских настроек и управления «сигналкой», применяется брелок с обратной связью и информативным дисплеем.
Что касается технических характеристик модели Старлайн E90, то они выглядят таким образом:
- В качестве рабочей частоты, на базе которой осуществляется передача и прием радиосигнала, используется диапазон 433-433,79 МГц.
- С целью обеспечения высокой безопасности и защиты от взлома задействованы 128 каналов.
- Радиус работы брелока с возможностью передачи сигнала достигает 8 000 м. Прием сигнала возможен с дистанции до 2 км.
- Запасной пейджер работает в радиусе 15 м.
- Модель оборудована сверхчувствительным датчиком, который функционирует по трехосевой интегральной технологии.
- Оптимальный температурный диапазон, при котором может работать автосигнализация, варьируется в пределах -50…+85°C.
- В качестве элемента питания используется напряжение 9-18 В.
- Брелок оснащается батарейками класса ААА.

Точное значение радиуса действия E90 определяется массой факторов, в их числе текущая погода и помехи.
Комплектация
Сигнализация Starline E90 продается в такой комплектации:
- Пошаговая инструкция по установке и дальнейшей эксплуатации системы. Она позволяет реализовать монтаж охранных устройств и настроить их своими руками.
- Памятка пользователя и документ, подтверждающий гарантийное обслуживание.
- Главный пейджер с экраном и функциями оповещения.
- Центральный микропроцессор.
- Элементы питания для основного брелока.
- Реле с колодкой.
- Запасной брелок.
- Силовой модуль.
- Антенна с трансивером.
- Провод на 18 контактов.
- Диодный индикатор.
- Температурный контроллер и др.


























