Как пользоваться
Инструкция по эксплуатации, приложенная к оборудованию, содержит описание функций сигнализации. Отдельные разделы посвящены управлению оборудованием при помощи коммуникатора. Документация содержит советы по автоматическому или дистанционному пуску, а также по аварийному отключению охраны. В руководстве приведен алгоритм установки и настройки компонентов.
Обозначение кнопок и символов
На головном пульте расположены 5 кнопок, отмеченных иконками. В документации имеется таблица с возможными комбинациями клавиш (для включения основных и дополнительных функций).
Вспомогательный пульт не оснащается кнопкой F, предназначенной для регулировки параметров, отображаемых на табло.
На дисплее имеются пиктограммы, отображающие сработавшие зоны охраны, а также позволяющие определить режим работы охранного комплекса. Дополнительные значки указывают на включение вспомогательных режимов.
Программирование брелока
Приложенная к Томагавк 9020 инструкция включает раздел по программированию дополнительного пульта:
- Отключить цепи поддержки воспламенения рабочей смеси, а затем последовательно надавить на клавишу входа в режим программирования 7 раз.
- Активировать цепи зажигания, комплекс подаст 7 гудков сиреной, указывая на готовность к записи кодов устройств управления. Одновременно производится очистка памяти, водителю требуется запрограммировать как старые, так и новые устройства.
- Для сохранения брелока в память необходимо комплексно утопить кнопки управления охранными функциями (отмечены иконками замков с замкнутой и отстегнутой дужкой). Запись устройства сопровождается соответствующим числом гудков сиреной. Всего в памяти сохраняются коды 4 пультов, при попытке записи пятого устройства из ячейки удаляется первый брелок.
- Произвести настройку коммуникаторов (запрограммировать часы или таймер).
Как настроить автозапуск
Предварительная настройка автозапуска выполняется в процессе программирования процессорного блока сигнализации Tomahawk TW 9020. Водитель устанавливает продолжительность цикла прогрева и пороговое значение температуры, при которой производится пуск. Дополнительно настраивается время работы стартера и программируется методика контролирования работы мотора (по тахометру или напряжению в сети). Рабочие таблицы с рекомендациями приведены в руководстве по эксплуатации.
Чтобы настроить автозапуск на сигнализации по времени требуется удержать в нажатом состоянии кнопку с пометкой в виде разомкнутого замка. После подачи сигнала (или переключении свечения диода на зеленый цвет) выполняется воздействие на кнопку с иконкой запертого замка. Контрольный диод начнет работать сериями по 2 вспышки, запуск мотора производится ежесуточно или через каждые 1, 2 или 4 часа. Прогрев по температуре сигнализация не поддерживает.
Изменение кода доступа
В инструкции по применению приведен алгоритм изменения пароля, который используется для отключения охранного режима и для выключения функции противодействия ограблению. По умолчанию установлено значение 11, для его изменения требуется предварительно включить в настройках блока режим деактивации паролем. Для корректировки кода требуется нажать на клавишу настройки 4 раза, а затем подать питание в цепи головного блока поворотом ключа в замке. Комплекс подаст 4 сигнала сиреной.
Затем владелец коротко нажимает на клавишу программирования, после чего вводит число при помощи кнопок брелока (в диапазоне от 1 до 4). Каждой кнопке соответствует своя цифра, таблица приведена в прилагаемой к комплексу Tomahawk TZ-9020 инструкции. Для ввода второго регистра снова нажимается кнопка программирования, ввод цифр подтверждается гудком сирены.
Кнопка Override
Клавиша «Оверрайд» Томагавк TZ 9020 предназначена для управления охранным комплексом. С её помощью осуществляется привязка новых ключей, устраняются программные сбои и происходит калибровка основных функций сигнализации.
В особенности выделяется способность включения и деактивации охранной функции без наличия брелков – критически необходимо при утере или поломке дистанционных пультов.
По причине важности устройства, пользователи стараются его спрятать в месте, предельно сложно доступном. Обычно элемент монтируют в указанных нишах
- Внутри вещевого ящика. Ставится под обшивкой или за задней стенкой.
- Под приборной доской. Расположение может отличаться в зависимости от фантазии пользователя. Некоторые прячут клавишу возле педалей, другие со стороны пассажира.
- В отдельных случаях элемент скрывается в жгутах проводов под щитком приборов.
- В нише дверей.
Таким образом, узнать, где стоит «Овериде» на определённой машине, можно от мастеров или установив её самому.
Схемы для подключения
Представляем универсальную схему подключения.
Схема подключения Несмотря на довольно трудоёмкий процесс установки автосигнализации своими руками, потраченные усилия не будут напрасны, ведь это позволит сэкономить неплохую сумму денег (чаще всего стоимость услуг профессионала приравнивается к цене самого комплекта сигнализации).
Кроме того, принесёт немало удовольствия тем, кто любит делать всё своими руками.
Подключение сигнализации к центральному замку занимает часть времени. Подключение автосигнализации к центральному замку (ЦЗ) выглядит непросто. Если известен тип замка на автомобиле, трудности отсутствуют. В статье ниже, опишем подключение сигнализаций к ЦЗ, различных исполнений.
Видео
Автор материала: Думченков Михаил
![]()
Есть вопросы по ремонту автомобиля? Задайте их в разделе консультаций, для этого нажмите на ссылку ниже.
Задать вопрос автомеханику
- Новинки авто 2021
- Новые автомобили 2022
- Тест-драйвы
- Джипы
- Кроссоверы
-
Ремонт и обслуживание
- Двигатель
- Ходовая часть
- Электрооборудование
- Сигнализации
- Прикуриватели
- Обзоры автомобилей
- Фото и видеогалереи
- Новости
- Шины
- Машины знаменитостей
2021 Daciaclubmd.ru. Если Вы не согласны с каким-либо положением «Отказа от ответственности», не используйте данный Сайт. Перед использованием прочтите Отказ от ответственности и Политика конфиденциальности.
Источник
Как перепрограммировать старый пульт
Переустановить в программу старый пейджер можно путем его удаления и последующего прописывания в сигнализацию. Чтобы удалить брелок из сиги, следует выполнить ее сброс, затем выполняя стандартную процедуру вписать пульт.
Зачем нужно перепрограммировать
Перепрограммирование брелка происходит по следующим причинам:
- неправильная реакция на команды пользователя;
- отсутствие реакции на манипуляции водителя;
- слишком длинный отклик;
- зависание устройства.
Как сбросить настройки
На распространенных моделях Томагавк сброс настроек выполняется так:
- включить зажигание;
- клацнуть на Оверрайд определенное количество раз;
- дождаться отклика системы;
- клацнуть на сервисную кнопку еще раз;
- зажать на брелке указанные клавиши.
После выполнения операции настройки вернутся до заводского состояния.
Как выставить время
Cледует выполнить операцию:
- удержать клавишу F до того, как изображение часов начнет мигать;
- кнопками с изображением открытого багажника и перечеркнутого динамика перелистываются минуты;
- для установки часов снова нажать Ф и пролистывать указанными выше клавишами;
- для выхода из меню требуется оставить пейджер в покое на 8 секунд.
Подсоединение автозапуска Томагавк ТВ 9010
Для сигнализации Tomahawk 9010 используется нестандартная коммутация стартерного тока. При автозапуске напряжение выходит с 6-ти контактного силового разъёма. Всё остальное время провод, идущий на стартер, передаёт электрический ток, даже при неправильно или совсем неработающей сигнализации. В разрыв штатной проводки установите блокирующее реле.

Противоугонная система может управлять обходчиком иммобилайзера. Минусовой провод соедините с чёрно-красным, на котором электрический ток появляется до включения стартера. Это условие и нужно для обходчика иммобилайзера.
Дополнительный датчик температуры двигателя соединяется по следующей схеме:

У нас есть полная инструкция Томагавк 9010.
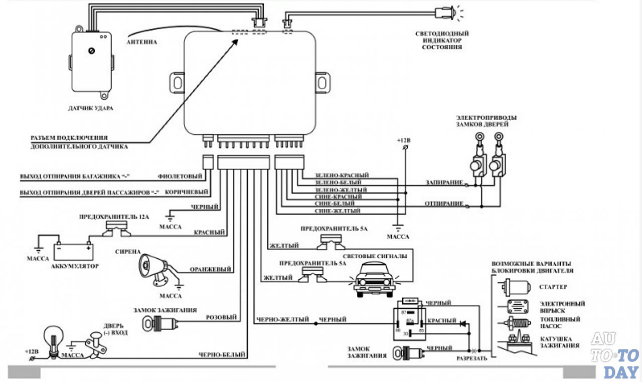
Как подключить сигнализацию Томагавк TZ 9020: инструкция по установке
В комплекте поставляется руководство по эксплуатации. Внутри документа содержится вся информация для возможности установки охранного комплекса своими руками, без привлечения посторонних специалистов.
- Предпочтительное место монтажа головного и вспомогательных блоков.
- Распиновка электропроводки – схема подключения фишек, проводов.
- Рекомендации по размещению клавиши аварийной блокировки.
- Допускается подсоединение дополнительного оборудования.
- Последовательность программирования.
- Пропись и настройка ключей.
- Возможность подвязки новых брелков.
- Вероятные неисправности и способы их устранения.
Некоторые пользователи покупают сигнализации БУ или теряют сервисную документацию, что делает невозможным её настройку. У нас можно смотреть подробную инструкцию онлайн.

Комплектация
Комплект поставки автомобильной «сигналки» Томагавк 9020:
- Микропроцессорный модуль, оснащенный блоком реле. Поставляется в продажу в черном пластиковом корпусе.
- Основной коммуникатор с дисплеем. Благодаря наличию монохромного экрана в этом устройстве реализована функция обратной связи.
- Дополнительный пейджер. Оснащается влагозащищенным корпусом и характеризуется одноканальным режимом работы.
- Сенсорный контроллер чувствительности с двумя порогами срабатывания — предупредительным и тревожным. Оснащается кабелем и разъемом для подключения к блоку управления.
- Трансивер со встроенным антенным адаптером.
- Кнопка «Оверрайд» для настройки основных параметров и входа в сервисный режим обслуживания.
- Концевой выключатель, использующийся для монтажа на капот или дверь багажного отсека.
- Комплект проводов для подключения системы.
- Памятка потребителя.
- Гарантийный талон.
- Упаковочная коробка.
- Техническое руководство на русском языке, позволяющее устанавливать и настраивать сигнализацию в гаражных условиях.
Поскольку в комплектацию Томагавк 9020 не входит сирена и триггеры для дверей, эти устройства покупаются дополнительно.
Комплект поставки системы 9020
Особенности подключения электроники с помощью распиновки розетки прицепа
Зная схему подключения розетки прицепа легкового автомобиля, наладить контакт с электроприборами, которые располагаются во внешних устройствах, несложно. Но следует помнить о некоторых важных моментах:
1. Зачистка изоляции. При соединении проводок к разъему фаркопа, не следует забывать об их последующей изоляции. Некорректно подключенные приборы могут стать причиной замыкания в сети, что повлечет невозможность управлять электроприборами и может спровоцировать аварию. Чтобы обеспечить максимальную изоляцию жгутам, можно использовать трехметровый полипропиленовый шланг. Он также может быть заменен на металлический шланг, выполненный из гофрированного материала. Чтобы зафиксировать жгуты проводки, пригодятся 30 хомутов из пластикового материала.
2. Блок согласования. К сожалению, при наличии встроенного бортового компьютера процедура подключения прицепа с помощью фаркопа осложняется. Бортовой компьютер не воспринимает внешние электронные устройства. И для нормального функционирования этих приборов необходимо приобрести дополнительное оборудование – блок согласования. Он тоже не всегда распознается «бортником», но все же позволяет управлять внешними устройствами с помощью встроенной компьютерной техники.
3. Проверка мультиметром. Опытные водители, которые предпочитают сами заниматься ремонтом своего авто, давно используют специальный прибор, который позволяет измерить силу тока, напряжение или сопротивление. Перед тем, как заняться подключением контактов, следует проверить, нет ли среди них вышедших из строя элементов. Мультиметр быстрее всего справится с этой задачей. Если будут проблемы с напряжением, значит, какой-то из проводов следует заменить на новый. Перед работой с мультиметром, его следует проверить, соединив 2 щупа между собой и нажав на «пуск». На экране устройства должно появиться нулевое значение – это является гарантией того, что прибор работает. Проверка подсоединенных контактов мультиметром не гарантирует, что все устройства будут работать корректно. Но она позволяет на начальных этапах определить, нет ли замыкания во внутренней сети. Проверку мультиметром следует осуществлять в соответствии с рекомендованной схемой, используя красный и черный щуп для подключения к электроприборам.
Настоятельно не рекомендуется пытаться подключить контакты, не имея представления о распиновке розетки прицепа. Если автомобиль оснащен портативной схемой управления электроникой, любая ошибка при подключении может привести к короткому замыканию, что спровоцирует выход из строя отдельных элементов.
Также не следует пытаться соединить 13-контактную иностранную розетку с 7-разъемной вилкой. Некоторые «умельцы» умудряются подключить контакты выборочно, что приводит к проблемам с электрическими устройствами. Такие действия могут вывести из строя ряд элементов, а для автомобилей, оснащенных бортовыми компьютерами, подобные манипуляции с распиновкой розетки прицепного транспорта еще более опасны.
Брелок TZ 9020
В комплекте поставляется два пульта управления: главны и запасной. Первый оборудован пятью клавишами, отвечающими за основные и вторичные опции. Дополнительный брелок имеет меньший функционал, однако это не мешает управлению охранной системой. На головном модуле индикация выполнена в форме ЖК-дисплея, где отображаются значки состояния системы, возможные ошибки, текущее время и показатели температурных датчиков автомобиля. Запасной ключ имеет только двуцветный диод.
На этой странице можно скачать или посмотреть полное руководство по эксплуатации брелков на русском языке.

Комплектация автосигнализации Томагавк 9010
Набор противоугонной системы состоит из:
- пульта дистанционного управления с жидкокристаллическим дисплеем;
- одностороннего брелка;
- датчика удара;
- одного реле;
- модуля приёма и передачи;
- кнопки Anti-Hi-Jack;
- клавиши переключения режимов;
- светодиодного индикатора;
- десяти проводов;
- одного концевого выключателя;
- наклейки для машины;
- инструментов для монтажа;
- датчика температуры;
- инструкции по установке сигнализации в автомобиль;
- центрального блока управления.
Важной составляющей комплекта является руководство по подключению, без которого нельзя правильно подсоединить и настроить противоугонную систему
Таблица совместимости пультов Томагавк
Подобрать взаимозаменяймый пейджер к своей модели сигнализации Tomahawk вы можете, изучив специальные таблицы. Используя абсолютный аналог брелка, будете управлять всеми функциями охранной системы автомобиля в полном объёме.
| Модель | Совместимость |
| Х3 | Можно использовать от Х5, и наоборот |
| TW-7010 | Передатчик этой модели замените коммуникатором LR 1010 и Т Дабл Ю-9030 или ТВ 9020 |
| ТВ-7000 | Совместимость с пультом противоугонной системы TW-9100 |
| ТВ 9000 и 9010 | При поломке этих брелоков полным аналогом будет устройство от TW-7000 |
| Т Дабл Ю-9020 | Используйте пейджер от TW-9030 или LR 1010 |
| TW-9030 | К сигнализации подойдут дистанционный пульт от TW-9020 или 7010 |
| Томагавк-9,5 | Полностью совместим с 9,9 |
| ЛР 950 | Абсолютный аналог (корпус, расположение и назначение кнопок) с устройством Т Дабл Ю-9010 или же 9000. |
| Коммутатор LR 1010 | Этой модели подойдёт брелок от ТВ-9020 или 7010. |
| D700 | Взаимозаменяемость с D900. |
| CL 350 | Передатчик противоугонного комплекса совместим с CL 500, и наоборот |
| Т Дабл Ю 7000 | Подойдут коммуникаторы от 9010 или ТВ 9000 |
| S 700 | Для управления моделью может использоваться пейжер от TZ-9010 |
| TZ-7010, 9020 | Можно прописать устройство от TZ 9030. |
| ТЗ-9010 | Пульт совместим с SL 950 (корпус и назначение клавиш). |
| TW-9100 | Взаимозаменяемость с TW 7100 |
| TZ-9030 | Полностью подходит к TZ-9020 и ТЗ 7010 |
| Tomahawk Z5 и Z3 | Брелоки взаимозаменяемы. Управлять сигнализацией можно устройствами от TZ-9020 или же TZ-7010 |
| 9,3, 9,3 — 24 в | Эта модель полностью совместима с 9,7 или же 9,7 КАН (корпус пульта, расположение клавиш, антенны). |
| Томагавк-9,7 | Взаимозаменяемость с пейджером 9,3 или же 9,3 на 24 вольта. Управлять сигнализацией можно и брелоком 9,7 КАН |
| Модель 9,9 | Полная совместимость с 9,5 |
| G 9000 | Программируйте коммутатор от G 9000 CAN, и наоборот |
Вы можете заменить свой брелок сигнализации на идентичный, но с другим корпусом.
| Модель | Совместимость |
| TW 9000, ЛР 950, ТВ 9010 | Используйте пейджеры от охранных систем Т Дабл Ю 7010, а также Х5 и Х3. |
| D 950 | При потере или поломке можно поменять на TW 9020 или на пуль от ТВ 9030. Управлять этой противоугонной системой могут пульты без экранов сигнализаций TW 4000 и LR 9010. Есть возможность использоваия коммутаторов Harpoon H1 и Н2 |
| D 700 | Можно применять брелоки от Т Дабл Ю 9000 и LR 950, ТВ 9010. А также TZ 9010, SL 950, D900, S 700 |
Как вам сигнализация Tomahawk 9020? Коммуникаторы от сигнализаций Томагавк можно заменить другими устройствами, имеющими различия в кнопках управления.
| Tomahawk | Комментарии |
| 9010 с жидкокристаллическим дисплеем | Подходит для моделей противоугонных систем D700, D900, TZ-9010, S-700, Т Дабл Ю-9000. Используйте для SL-950, ТВ-7000, ЛР-950. |
| Брелок 9020 с жк экраном | Идёт на ТВ-7010, TZ-7010, TW-9030 и LK-1010. Можно применять для TZ-9030 и ТЗ-7020 или же TZ-9020. |
Как вам сигнализация с автозапуском Tomahawk TZ-9020?
Не работает автозапуск на сигнализации Томагавк 9020
Если вы провели удачное программирование автозапуска, но двигатель не заводится с брелка, тогда проверьте следующее.
- Сигнализация не видит включение ручного тормоза. О его срабатывании на пульте высвечивается информация при проверке статуса сигнализации.
- Охранная система не определяет работу двигателя. Выясните, как подключена система. Если выполняется контроль работы мотора по напряжению, то сбои работы будут происходить из-за неисправного генератора или плохого подключения цепи питания. Если контроль осуществляется по лампе давления, то проблем практически не будет. Если сигнализация подключена к тахометру, то проведите обучениеохранного модуля оборотам холостого хода.
- Корректную работу обходчика иммобилайзера.
- Неисправен блок управления.
- Не работает один из предохранителей.

Как установить?
Устанавливать и подключать противоугонную систему можно самостоятельно. С помощью схемы, указанной в комплектации, можно подсоединить все элементы автосигнализации.
Как установить “сигналку”:
Выберите место для монтажа управляющего модуля. Центральный блок должен располагаться в недоступном для злоумышленника месте
Важно, чтобы оно было сухим. При выборе места для установки центрального блока учтите, что воздействие высоких температур и влаги приведет к его поломке
Чаще всего блок ставится под центральной консолью, за бардачком или приборной панелью. Последний вариант считается оптимальным, поскольку при таком местоположении злоумышленнику придется потратить больше времени на получение доступа к устройству. Для установки снимите облицовочные элементы рулевой колонки. Надежно зафиксируйте блок саморезами, чтобы он не вибрировал во время движения.
Откройте капот и выберите место для монтажа сирены. Установка этого устройства должна осуществляться рупором вбок или вверх. Если он будет направлен вниз, то к нему может прилипать грязь, которая впоследствии станет причиной некорректного функционирования устройства. Сирену надо установить как можно дальше от двигателя. Воздействие высоких температур от силового агрегата выведет устройство из строя. Провода от сирены надо прокинуть через специальное технологическое отверстие из моторного отсека в салон.
На лобовом стекле монтируется антенный адаптер со светодиодным индикатором. Антенну надо зафиксировать так, чтобы она была на расстоянии не менее 5 см от металлических частей кузова. При близком расположении приемопередатчика к металлу передача сигнала будет осуществляться с помехами. Такое месторасположение приведет к снижению радиуса действия сигнализации. В некоторых случаях “сигналка” вовсе не будет реагировать на команды, отправляемые пультом.
Установите датчик удара. Его лучше поставить в центральной части кузова, к примеру, под сиденьями или за обшивкой потолка. Если используется несколько контроллеров чувствительности, то их лучше расположить по периметру кузова. Датчики фиксируются на саморезы.
Монтаж датчика температуры осуществляется в моторном отсеке. Контроллер врезается в патрубок охладительной системы. Это место наиболее оптимально. Надежно зафиксируйте датчик, чтобы он не оторвался и не пошел по магистралям системы.
Реле блокировки ставится на замке зажигание.
Когда все компоненты сигнализации будут установлены, производится укладка проводов и их подключение к центральному блоку. Кабели укладываются под облицовкой салона автомобиля, порогами. При монтаже проследите за тем, чтобы на электроцепи не оказывали воздействия движущиеся механизмы. Иначе провода будут повреждены.
Установите блок управления
Поставьте сирены под капотом
Подключите все элементы проводами
Об установке сигнализаций с автозапуском
Автоматический пуск двигателя автомобиля – новая опция современных противоугонных систем. Автозапуск Томагавк 9020 включается путём нажатия кнопок на пульте дистанционного управления. Это значительно повышает уровень комфорта эксплуатации автомобиля в холодное время года или в жару. Для входа в режим программирования функций автозапуска выполните следующие пункты.
- Выключите зажигание.
- Сервисную клавишу «Оверрайд» нажмите шесть раз.
- Активируйте зажигание. Последуют 6 сигналов сирены.
Скачать официальную инструкцию Tomahawk TW 9020.
В меню автозапуска можно настроить определённые параметры:
- время работы двигателя автомобиля и его стартера;
- вариант работы выхода IGN 3 – выключается при включении стартера, не работает при активации стартера, включается на всё время работы стартера, активируется до включения стартера;
- тип коробки переключения передач – АКПП или МКПП;
- тип мотора – бензиновый или дизельный;
- режим турботаймера;
- время прогрева двигателя машины;
- интервал периодического автоматического запуска мотора;
- постановка на охрану при автозапуске;
- варианты работы габаритных огней;
- закрытие дверей по окончанию прогрева.
Программирование функций автопуска производится клавишей «Оверрайд». Перед настройкой обязательно изучите инструкцию. 
Факторы, влияющие на установку усилителя
– устройство не должно мешать водителю и пассажирам, не должно портить интерьер и не занимать много функционального пространства;
– усилитель необходимо прикручивать к кузову машины, а не подвижным частям;
– устройство должно хорошо охлаждаться, т.е. оно должно располагаться в большом пространстве, а не в небольшой коробке;
– прокладка проводов должна быть простой. Проводка акустической системы должна идти отдельным жгутом от основных проводов машины.
Интересно! Если соединить все провода в один жгут (основные и музыкальные), то при заведенном авто в динамиках будут слышны помехи.
Разные варианты схем
Силовой клеммник сигналки Tomahawk tz 9020 содержит 6 контактов. Базовая схема для них показана ниже:

Стрелками здесь обозначены Т-образные подключения. «Красный» провод, согласно инструкции, лучше соединить с «30-м» контактом. Пред-колбу, показанную на схеме, тогда не устанавливают.
«Синий» шнур можно подключать не к линии «ACC», а к реле обходчика, что на практике обычно и делают. Еще ваша автосигнализация может быть настроена дополнительно, и тогда указанный провод станет эмулировать одну из двух линий: «IGN 1», добавочная линия стартера.
«Желтый» шнур в любом случае подключают к контакту «15». В разрыв стартерного кабеля пойдут «черно-желтые» провода. «Тонкий» провод, притом, соединяют с клеммой замка. Если «черно-желтые» кабели перепутать, завести мотор нельзя будет даже с ключа.
Допустим, в штатной проводке присутствуют две линии стартера. Сигнализация тогда подключается так:

У некоторых авто есть особенность – в одну из двух линий ток должен подаваться раньше, чем в другую. Тогда «разрывать» нужно вторую цепь, а к первой подключаются «Т-образно». Настройка для рассмотренного случая выполняется так: опция «1», связанная с автозапуском, получает значение 4. Если линии срабатывают одновременно, используйте значение 3.






























