С чего начинать идентификацию?
Разумеется, первое, что пришло на ум, это под микроскопом разглядеть тот самый брелок. Зачастую на корпусе можно обнаружить выгравированную эмблему производителя или модель сигнализации. В нашем случае, какие-либо опознавательные знаки отсутствовали вовсе, пришлось узнавать дальше. Оказывается, у большинства производителей автомобильной сигнализации имеется свой, эксклюзивный стиль. Например, дизайн или другие конструктивные особенности. Проявив смекалку, мы обнаружили некоторую последовательность в продукции основных торговых марок по выпуску автосигнализации.
- Pharaon
– покрывает корпус покрытием очень напоминающее мрамор. - Mongoose
– использует фирменную гравировку, силуэт бегущего мангуста. - Sirio Tank
– выливает корпус в форме танковой башни. - Cobra
– логично, что брелки этой марки похожи на капюшон змеи.
Как видите друзья будь у вас брелок любого вышеописанного бренда, идентифицировать его удастся уже при первом знакомстве. Однако, мы с другом оказались в другой ситуации, ни мрамора, ни змей, ни уж тем более танков на нашем брелке не было. Поэтому нужно было найти другой способ дабы установить личность заморской системы.
Лучшие способы узнать, какая сигнализация стоит на машине
После покупки нового автомобиля, у которого уже был владелец, остро встает вопрос: «Как узнать, какая сигнализация стоит на машине».
Эта информация будет очень полезна, так как без нее нельзя будет докупить дополнительные брелки, изменить настройки охранной системы, или вовсе отключить сигнализацию. Давайте рассмотрим все способы точного определения марки сигнализации.
Как узнать какая сигнализация стоит на машине по брелку
Самый простой способ получения необходимой информации — узнать модель сигнализации по брелку. Для этого не придется искать блок сигнализации или разбирать торпеду в салоне.
Вся необходимая информация лежит у Вас в кармане. Ситуация может значительно усложниться, если брелка нет: он был утерян или предыдущий владелец не отдал его Вам.
В таком случае придется использовать любой другой способ. Если же брелок у вас в руках, то вот краткая инструкция, как узнать производителя автосигнализации:
- Самый простой и очевидный способ — просто найти название на самом брелке. На большинстве устройств нанесен логотип компании или ее название.
Если идентифицировать сигнализацию таким способом не удалось, то переходим к следующему шагу.
На задней стороне брелка может быть нанесен штрих-код, маркировка, наклейка. Они обязательно содержат информацию об устройстве. Обычно, она наносится в виде непонятного набора букв и цифр, но если написать этот набор в поисковую строку обычного браузера, то есть большая вероятность узнать, какая сигнализация стоит на вашей машине.
В зависимости от сайта или сервиса фильтры поиска могут сильно отличаться друг от друга.
Определяем модель автосигнализации по салону авто
Если определить марку и модель охранной системы по пульту управления не удалось, то придется сделать это путем поиска центрального блока. Центральный блок — главная часть любой сигналки.
При установке его стараются хорошо спрятать, ведь злоумышленники не должны получить к нему доступ при угоне автомобиля.
Выглядит эта важная деталь, как небольшой коробочка, не обязательно строго прямоугольной формы. К ней идут множество проводов.
Будьте готовы разобрать часть салона и панели автомобиля, в поисках этого блока. Проще всего его найти можно по проводу, идущему от светодиода.
Сделать это может быть непросто, так как провод не всегда хорошо видно
Обратите внимание еще и на то, что чаще всего блок прячется либо под рулем, либо за приборной панелью автомобиля
Начинать свои поиски нужно именно с этих двух мест.
Когда Вы найдете центральный блок, тщательно изучите его. Он может быть обернут в поролон, чтобы минимизировать удары и стук блока об автомобиль.
Эта информация поможет быстро и легко узнать производителя охранной системы.
Различаем производителей по светодиоду
Иногда доходить до разбора салона вовсе не обязательно. В редких случаях узнать марку сигнализации поможет светодиод, который устанавливается за лобовым стеклом авто.
У сигнализации бренда «Black Bug» светодиод выполнен в прямоугольной форме, он не просто светится и мигает, а имеет несколько разных огней внутри себя.
Так повезти может далеко не всегда, и в большинстве случаев светодиод охранной системы не даст никакой полезной информации.
Обращение в автосервис
За квалифицированной помощью всегда можно обратиться к профессионалам. Если обратиться в сервис, в котором и устанавливалась сигнализация, то узнать ее модель можно очень быстро.
Дело в том, что чаще всего автосервисы устанавливают всего несколько моделей охранных систем, соответственно работникам будет очень просто дать Вам нужную информацию.
Если же в автосервисе не устанавливали сигнализацию, то все равно можно обратиться к специалистам.
Причем так, чтобы все работало и встало на свои места.
Вариант обращения в сервис отлично подойдет для тех, кто не хочет самостоятельно разбирать салон авто и вникать в маркировки сигнализаций и их брелков.
Можно сделать вывод — узнать точную марку и модель сигнализации можно, причем во многих случаях сделать это очень просто. Вам может повезти, и название сигнализации выдаст светодиод.
В большинстве остальных ситуаций — ее придется узнавать по брелку или по маркировке на центральном блоке.
Стойкость к взлому
Есть один интернет-ресурс, где предлагают приобрести мануфактурный кодграббер – устройство, взламывающее код сигнализаций. Выглядит это устройство, как брелок, а подходит оно для большинства систем Alligator. Эмулируется код односторонних брелоков, а также код разных пейджеров. Исключением, якобы, будет один из них: речь идет о брелоке с «диодным» дисплеем (S-250/275).

Скриншот одного безвредного сайта
Любая автомобильная сигналка, использующая код keeloq, взламывается. Уточним, что к моделям с «диодным» дисплеем утверждение относится тоже. Было бы странно, если в модели S-275 или S-250 использовалось бы что-то новое – обе системы являются бюджетными. Вывод сделайте сами.
Можно сразу найти ресурс, предлагающий другое похожее оборудование. Но там будут указаны уже все модели Alligator.

Еще один сайт с кодграбберами
Кто умеет пользоваться поиском, найдет подтверждение. Желаем успеха.
Как распознать трехкнопочный пульт
Брелок для сигнализации Alligator может оборудоваться тремя кнопками, и тогда распознать модель можно по рисунку (см. ниже). Но заметим, что речь идет не о пейджерах, а только о пультах без обратной связи:
Читая руководства и инструкции, вы найдете в них сведения:
- Сигналки семейства M, которые названы выше, не наделены ни автозапуском, ни двусторонней связью;
- В конструкции систем M-725/750/850 есть турботаймер;
- Сигналки N-105 – N-605 тоже не оснащаются обратной связью, и турботаймера в них нет;
- Для семейства NS характерен тот же набор функций, что указан выше: турботаймер отсутствует, используется односторонняя связь и т.д.
Снизу на фото показан пульт, который подходит для многих сигналок сразу. И это плохо – определить модель будет непросто. Впрочем, для большинства систем, к которым подходит «универсальный пульт», предусмотрено наличие пейджера.
Изучив эту главу, можно решить, что пульт, показанный на фото снизу, прилагается ко всем системам Alligator, которые наделены обратной связью. Но заметим, что охранная система может комплектоваться только пейджером. Вдобавок, к сигналкам семейств S и SP прилагают и пейджер, и пульт, но последний будет наделен 4-мя клавишами. Фото этого оборудования приводится ниже, а сами изображения скопированы из инструкций.
Обращение в автосервис
За квалифицированной помощью всегда можно обратиться к профессионалам. Если обратиться в сервис, в котором и устанавливалась сигнализация, то узнать ее модель можно очень быстро.
Дело в том, что чаще всего автосервисы устанавливают всего несколько моделей охранных систем, соответственно работникам будет очень просто дать Вам нужную информацию.
Если же в автосервисе не устанавливали сигнализацию, то все равно можно обратиться к специалистам.
За небольшую плату они грамотно и профессионально разберут панель, узнают модель и марку на центральном блоке сигнализации и соберут все обратно.
Причем так, чтобы все работало и встало на свои места.
Вариант обращения в сервис отлично подойдет для тех, кто не хочет самостоятельно разбирать салон авто и вникать в маркировки сигнализаций и их брелков.
Можно сделать вывод — узнать точную марку и модель сигнализации можно, причем во многих случаях сделать это очень просто. Вам может повезти, и название сигнализации выдаст светодиод.
В большинстве остальных ситуаций — ее придется узнавать по брелку или по маркировке на центральном блоке.
Это интересно: Можно ли оспорить штраф с камеры после автоматической фиксации?
Лучшие способы узнать, какая сигнализация стоит на машине
После покупки нового автомобиля, у которого уже был владелец, остро встает вопрос: «Как узнать, какая сигнализация стоит на машине».
Эта информация будет очень полезна, так как без нее нельзя будет докупить дополнительные брелки, изменить настройки охранной системы, или вовсе отключить сигнализацию. Давайте рассмотрим все способы точного определения марки сигнализации.
Как узнать какая сигнализация стоит на машине по брелку
Самый простой способ получения необходимой информации — узнать модель сигнализации по брелку. Для этого не придется искать блок сигнализации или разбирать торпеду в салоне.
Вся необходимая информация лежит у Вас в кармане. Ситуация может значительно усложниться, если брелка нет: он был утерян или предыдущий владелец не отдал его Вам.
В таком случае придется использовать любой другой способ.
В зависимости от сайта или сервиса фильтры поиска могут сильно отличаться друг от друга.
Определяем модель автосигнализации по салону авто
Если определить марку и модель охранной системы по пульту управления не удалось, то придется сделать это путем поиска центрального блока. Центральный блок — главная часть любой сигналки.
При установке его стараются хорошо спрятать, ведь злоумышленники не должны получить к нему доступ при угоне автомобиля.
Выглядит эта важная деталь, как небольшой коробочка, не обязательно строго прямоугольной формы. К ней идут множество проводов.
Будьте готовы разобрать часть салона и панели автомобиля, в поисках этого блока. Проще всего его найти можно по проводу, идущему от светодиода.
Сделать это может быть непросто, так как провод не всегда хорошо видно
Обратите внимание еще и на то, что чаще всего блок прячется либо под рулем, либо за приборной панелью автомобиля
Начинать свои поиски нужно именно с этих двух мест.
Когда Вы найдете центральный блок, тщательно изучите его. Он может быть обернут в поролон, чтобы минимизировать удары и стук блока об автомобиль.
Эта информация поможет быстро и легко узнать производителя охранной системы.
Различаем производителей по светодиоду
Иногда доходить до разбора салона вовсе не обязательно. В редких случаях узнать марку сигнализации поможет светодиод, который устанавливается за лобовым стеклом авто.
У сигнализации бренда «Black Bug» светодиод выполнен в прямоугольной форме, он не просто светится и мигает, а имеет несколько разных огней внутри себя.
Так повезти может далеко не всегда, и в большинстве случаев светодиод охранной системы не даст никакой полезной информации.
Обращение в автосервис
За квалифицированной помощью всегда можно обратиться к профессионалам. Если обратиться в сервис, в котором и устанавливалась сигнализация, то узнать ее модель можно очень быстро.
Дело в том, что чаще всего автосервисы устанавливают всего несколько моделей охранных систем, соответственно работникам будет очень просто дать Вам нужную информацию.
Если же в автосервисе не устанавливали сигнализацию, то все равно можно обратиться к специалистам.
Причем так, чтобы все работало и встало на свои места.
Вариант обращения в сервис отлично подойдет для тех, кто не хочет самостоятельно разбирать салон авто и вникать в маркировки сигнализаций и их брелков.
Можно сделать вывод — узнать точную марку и модель сигнализации можно, причем во многих случаях сделать это очень просто. Вам может повезти, и название сигнализации выдаст светодиод.
В большинстве остальных ситуаций — ее придется узнавать по брелку или по маркировке на центральном блоке.
Как по брелку определить модель автосигнализации Мангуст
Новичкам трудно определить модель только по пульту. Основной характеристикой, которой можно воспользоваться, является количество клавиш на брелоке. Каждая из клавиш соответствует определенной команде, поэтому, чем больше их, тем шире список функций устройства.
Первоначально внимательно осмотрите брелок. Оригинальное устройство должно иметь на поверхности изображение бегущего мангуста – официальный логотип компании.
Методы, которыми следует воспользоваться для определения марки:
- Наличие маркировки в виде мелкого шрифта;
- Некоторые модели разработаны в оригинальном стиле, что дает возможность легче отличать;
- Если изображение стерто на корпусе из-за длительной эксплуатации, то необходимо вскрыть корпус. Изредка производитель выбивает маркировку на плате;
- Можно воспользоваться специальными сайтами, где имеются каталоги, документы по определенным моделям.
В случае невозможности самостоятельного определения названия модели, лучше обратиться за помощью к автоэлектрикам. Они часто имеют дело с противоугонными системами, поэтому без особого труда разберутся с этой задачей.
Все модели линейки сигнализаций Мангуст обладают разнообразными достоинствами и недостатками. Но у всех у них высокий уровень криптостойкости, доступный ценник, большой перечень функций, простая установка и использование. У автовладельцев есть возможность выбрать устройство, подходящее именно ему, исходя из его пожеланий, предпочтений и возможностей.

Как определить модель автосигнализации по брелку
Что делать в таких случаях
В инструкции по эксплуатации есть сведения о том, как снять автомобиль с охраны, используя потайную кнопку (Valet), как привести ее к заводским установкам, как привязать новый брелок. Именно эти сведения понадобятся в случае утери или повреждения брелока. Самым трудным в перечисленной выше последовательности действий является поиск потайной кнопки. Проще всего это сделать, заранее узнав у предыдущего владельца место ее обитания. Но только половина владельцев подержанных машин помнят телефон прежнего хозяина, да и не факт, что он помнит о ее существовании. Можно руководствоваться следующими общими правилами:
- время доступа к потайной кнопке после открытия водительской двери должно быть не более 30 секунд, то есть располагаться под крышкой, которую необходимо откручивать, он не может;
- головной блок автосигнализации обычно территориально расположен под приборной панелью в районе стойки водителя под обшивкой, штатные провода к потайной кнопке, как правило, не длиннее полуметра;
- стандартное место установки потайной кнопки – где-то в районе левого колена водителя.
Как говорит мой коллега: «Ищите бабы, должен быть».
Если поиски ни к чему не привели, необходимо докопаться до головного блока автосигнализации (кстати, на нем тоже может быть написана модель, но не факт). От него через двухконтактный разъем идет двухжильный проводник темного цвета (чтобы был менее заметен) аккурат к потайной кнопке.Если модель автосигнализации по головному блоку вычислить не удалось, переходим к определению по внешнему виду брелока.
Определение модели по внешнему виду
- форма брелоков сигнализаций Cobra напоминает готовую к атаке змеюку;
- Sirio Tank похожа на военную технику такого же названия;
- брелоки Mongoose напоминают прыгающего зверька;
- Pharaon брелоки раскрашены в мраморные оттенки;
- Starline не имеют отличительной формы, зато есть существенный плюс: стереть с них надпись невозможно, разве спалив брелок.
Более древние и уникальные брелоки, которых множество, особенно если авто прибыл издалека, также имеют уникальные формы. На приведенных ниже фотографиях представлены некоторые модели уникальных брелоков.
Определение модели с помощью on — line ресурсов
В интернете есть ресурсы, которые помогают определить более-менее точно модель автосигнализации по внешнему виду брелока. Неплохой сервис https://www.ugona.net/remote.html. На нем есть даже небольшой помощник по количеству кнопок. Но новые автосигнализации, в том числе и Starline, отсутствуют, кроме приведенных на рисунке

Определение модели при помощи поисковых систем
На корпусе некоторых брелоков удается обнаружить надписи в виде длинных числ и букв. Сами по себе они могут не содержать никакой информации, но если ввести эти иероглифы в поисковую строку (иногда не полностью), возможно обнаружить сведения о конкретной модели сигнализации. Можно сфотографировать брелок с высоким разрешением и попробовать погуглить по фотографии. Часто этот способ приносит удачу.
Кстати, если у вас брелок неопознанного происхождения находится в единственном экземпляре, не потрудитесь его сфотографировать смартфоном на всякий случай. Часто помогает. Я знаю специалиста, который по качественной фотографии автомобильного ключа делает рабочие копии (без чипа, конечно). Так что, если вы ленитесь изготовить дубликат ключа, можно хоть его качественно сфотографировать на всякий случай, это бесплатно.
Определение модели по функциональным возможностям
Некоторые модели автосигнализаций очень схожи по внешнему виду, определить их точную марку не представляется возможным. Например, некоторые распространенные модели StarLine имеют идентичный вид:

Конкретная марка автосигнализации может быть идентифицирована по совокупности функциональных возможностей. Для старлайн это можно сделать, руководствуясь таблицей.

Наконец, самый простой и надежный способ определения модели автосигнализации по брелоку – обратиться на сервисный центр по установке автомобильных охранных систем определенной марки. Но он доступен только жителям больших городов.
Советы по установке сигнализации
Чтобы прибор прослужил как можно дольше, рекомендуем придерживаться основных правил установки:
- Светодиодный индикатор традиционно крепят на лобовом стекле. Для этого подойдет двусторонний скотч. Если вы хотите закрепить его на приборной панели, то придется просверлить отверстие для крепления.
- Датчик удара лучше крепить на переборку так, чтобы был доступ ко всем резисторам. Это облегчит дальнейшую эксплуатацию.
- Датчик температуры закрепите под капотом на резиновой части. Это обусловлено тем, что устройство может среагировать на температуру металла и исказить реальные температурные показатели.
- Приемный модуль установите ближе к лобовому стеклу. Это повысит дальность действия передатчика. Сбоку крепить устройство крайне не рекомендуется — сильная вибрация можете нарушить его работу.
При установке и настройке прибора придерживайтесь рекомендаций, изложенных в инструкции по монтажу и эксплуатации. Документ адаптирован под каждую конкретную модель и прилагается в комплекте к изделию.
Виды и модели брелков сигнализации Аллигатор
Общие характеристики брелоков Alligator:
- аккумулятор в основном пульте используется на 1,5 вольта, в дополнительном — 3;
- на основных брелоках имеется функция блокировки кнопок от случайного нажатия;
- частота передачи сигналов 433-868 МГц;
- поиск автомобиля;
- режим паники — активируется сирена и тревожные сигналы;
- опция вызова владельца автомобиля из салона;
- Anti-Hijack — функция защиты от разбойного нападения;
- режим Valet для отключения всех охранных функций противоугонной системы.
Таблица моделей пультов управления охранной системой Аллигатор и основных их характеристик
| Модели | Особенности и характеристики |
| S 325/800/825/850/875 RS |
|
| TD 350/355, С 300 |
|
| D 910 |
|
| TD 320 |
|
Как распознать трехкнопочный пульт
Брелок для сигнализации Alligator может оборудоваться тремя кнопками, и тогда распознать модель можно по рисунку (см. ниже). Но заметим, что речь идет не о пейджерах, а только о пультах без обратной связи:
Читая руководства и инструкции, вы найдете в них сведения:
- Сигналки семейства M, которые названы выше, не наделены ни автозапуском, ни двусторонней связью;
- В конструкции систем M-725/750/850 есть турботаймер;
- Сигналки N-105 – N-605 тоже не оснащаются обратной связью, и турботаймера в них нет;
- Для семейства NS характерен тот же набор функций, что указан выше: турботаймер отсутствует, используется односторонняя связь и т.д.
Снизу на фото показан пульт, который подходит для многих сигналок сразу. И это плохо – определить модель будет непросто. Впрочем, для большинства систем, к которым подходит «универсальный пульт», предусмотрено наличие пейджера.
Изучив эту главу, можно решить, что пульт, показанный на фото снизу, прилагается ко всем системам Alligator, которые наделены обратной связью. Но заметим, что охранная система может комплектоваться только пейджером. Вдобавок, к сигналкам семейств S и SP прилагают и пейджер, и пульт, но последний будет наделен 4-мя клавишами. Фото этого оборудования приводится ниже, а сами изображения скопированы из инструкций.
Определение модели сигнализации Старлайн по совокупности функциональных и внешних признаков
Именно такой метод лучше использовать для определения модели сигнализаций Старлайн. Внешний вид брелков StarLine указан на рисунке:

Некоторые модели брелков Старлайн, как две капли, похожи друг на друга, и отличаются наличием/отсутствием дополнительных функциональных возможностей (например, автозапуска).
Владелец обычно знаком с функциями, которые доступны для управления с брелка, поэтому, определив по внешнему виду модель сигнализации StarLine приблизительно, может уточнить ее модификацию по следующей таблице.

Видео — управление двигателем используя брелок сигнализации StarLine A91:
Четыре кнопки и более
Сразу рассмотрим, как выглядят брелоки с дисплеем. В нашей инструкции они называются пейджерами:
Пульты с дисплеями
Каждый пейджер, как видим, наделен 4-мя кнопками или 5-ю. Что справедливо даже для модели S-700RS.
Пульты с четырьмя кнопками
Собственно, четырехкнопочных пультов в арсенале бренда Alligator не так много:
Брелоки с 4-мя клавишами
Все они предназначены для систем с двусторонней связью. К сигналкам семейства SP подходят одинаковые пульты, хотя пейджеры у разных моделей отличаются:
- Для систем SP-30 и SP-40 подходит пейджер одной конструкции;
- Сигналки 75RS и 55RS оснащаются другим пейджером, не подходящим для более ранних моделей.
Жаль, что в базовой инструкции подобных сведений не пишут.
Как узнать о наличии автозапуска
Ясно, что двусторонней связью оснащены только те системы, в комплекте которых есть пейджер. Перечислим их здесь:
- Семейство S: 200, 250, 275, 300, 325, 400, 450, 475, 550, 575, 700RS, 725RS и 750RS, 800RS, 825RS, 850RS, 875RS, 975RS;
- SP: 30, 40, 55RS, 75RS;
- C: 200, 300, 500;
- D: 810, 830, 910, 930, 950, 970, 975, 1100RSG;
- TD: все модели, начиная от 310-й;
- M: любая сигналка с номером больше 1000.
Автозапуском наделены не все, а только некоторые из сигнализаций, которые были названы. Например, в семействе «C» этой опции нет у 200-й модели, а у остальных она есть.
Как сразу определить, есть ли в сигналке автозапуск? На дисплее должна быть иконка, обозначающая заведенный двигатель. Чаще всего это будет изображение дыма, а рисуют его снизу справа. Получается, не нужна даже инструкция – все и так выглядит просто!
В завершение назовем одну модель, которая является исключением. Речь идет о сигнализации LX-8000RS: пейджером ее снабдить нельзя, а оборудовать автозапуском – можно. В доказательство приводим схему.
Монтаж основного блока 8000RS
К сигналке 8000RS подходят пульты без дисплея. Но ее пульты, в отличие от большинства «односторонних» устройств, обладают повышенным радиусом действия. Так заявлено изготовителем.
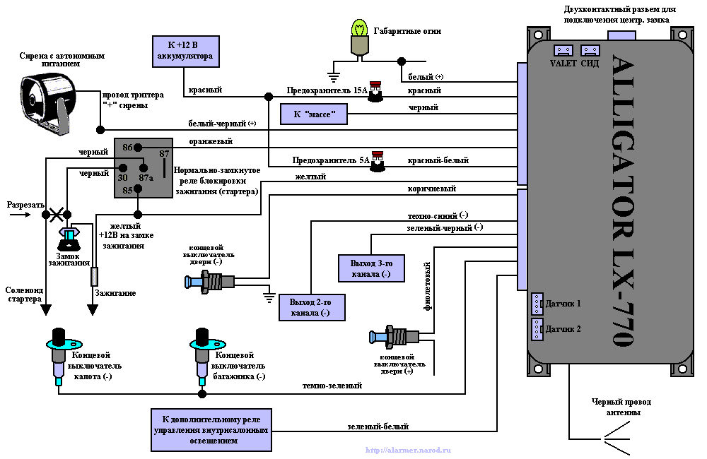
Где находится схема подключения сигнализации Аллигатор?
СИД начнет мигать сериями из 7 вспышек через паузу. В любом другом режиме нагрузка на линию отсутствует.
![]()
Крепят блок при помощи двух шурупов или пластиковыми растяжками. Система возьмет эту цепь под охрану через 3 секунды после того, как она перестанет быть активной. Под капотом тоже ничего сложного, опять же в помочь монтажная пластина от активаторов, на нее концевик, пластину на саморез к крылу с внутренней стороны. Оранжевый провод. При выходе из режима программирования Вы услышите один длинный сигнал сирены и СИД системы погаснет. Если требуется нарастить провода для соединения, то подключаться контакты должны в салоне автомобиля, в наиболее сухом месте, чтобы исключить их окисление. Обязательно стоит учитывать, что датчик температуры должен крепиться к резиновой части радиатора.

Многие новые автомобили имеют низковольтные или мультиплексные системы, которые могут быть повреждены при использовании низкоомных проверочных приборов, например, проверочных ламп или логических пробников которые используются для тестирования компьютеров. Зелено желтый провод имеет много вариантов куда подключить, и для открытия дверей, на реле блокировки двигателя, выход для закрытия окон. СИД начнет мигать сериями из 4 вспышек через паузу. Датчик удара лучше всего расположить на твердой поверхностипереборки, которая отделяет салон от двигательного отсека.
Вы услышите 2 коротких сигнала сирены, подтверждающие восстановление заводских настроек и выход из режима программирования функций. Похожие публикации:. После его запуска напряжение увеличится до 7 В и более. Это обусловлено тем, что влага может вызвать окисление контактов, что приведет к определённым трудностям в работе.
СИД начнет мигать сериями из 16 вспышек через паузу. Место монтажа должно быть скрытным, но при этом у потребителя всегда должен быть доступ к устройству с места водителя.
По внешнему виду
Если у вас есть брелок, узнать модель автомобильной сигнализации в машине нетрудно. На устройстве может быть указано название компании-производителя или ее логотип. Брелки от StarLine не отличаются особой формой, но на их корпусе надписи нанесены так, чтобы их было трудно стереть. Например, Leopard («Леопард») выпускает различные миниатюрные передатчики. Брелоки Fighter не отличаются внешним видом, с них легко стирается название компании, многие пользователи жалуются на плохую защиту от повреждений.
Производители некоторых марок охранных систем выбрали для своих изделий дизайн, выделяющий их среди ряда подобных предметов:
- Pharaon («Фараон») отличается покрытием разных оттенков, похожим на мрамор;
- Mongoose: чтобы узнать эти устройства, надо найти мангуста — гравировку в виде силуэта этого животного;
- Sirio Tank выпускаются в виде танковой башни;
- Cobra напоминают раздутый капюшон кобры.

По внешнему виду брелка не всегда можно узнать номер модели изделия, даже если на нем есть логотип производителя. Другие характеристики могут быть указаны на задней панели изделия или под ней. Если модель там не указана, лучше воспользоваться другими способами ее определения.





























