Ассортимент зарядных устройств
Конструкция схемы, как и конструкция различных зарядных устройств, может отличаться. Но основные черты и характеристики остаются прежними.
Весь ассортимент зарядных устройств Kedr предназначен для свинцово-кислотных батарей. Они являются отличными помощниками для восстановления шихты, а также для контроля сульфатации.

Наиболее распространенные и популярные модели включают:
- Kedr Auto 10A;
- Kedr Auto 4A;
- Кедр М.
Для наглядности каждое устройство следует рассматривать отдельно.
Модель Кедр М
Это самая старая модель в линейке. Она была изъята из употребления. Но устройство регулярно продается на вторичном рынке.
Хороший помощник для реанимации батарей. Он был заменен на Kedar Auto 4A.

Kedar M имеет следующие характеристики:
- Автоматическое отключение. Предотвращает перезарядку аккумулятора во время зарядки и предотвращает его повреждение.
- Циклическая зарядка. Специальный режим. Подходит для батарей, подверженных сульфатации. Помогает удалить отложения с поверхности пластин.
- Защита от неправильного подключения. Предположим, автомобилист торопился и изменил полярность. Без этой защиты может возникнуть короткое замыкание и другие проблемы. Функция для новичков и невнимательных людей.
- Перезарядка. Еще один полезный режим. Он восполняет заряд батареи на 100%.
Выполнен в виде удобной коробки. Имеется дополнительный отсек для размещения кабелей и клемм.
Внутренняя конструкция зарядного устройства Kedr
Технические характеристики следующие:
- Питание от розетки 220 В;
- назначение — работа с батареями 12 В;
- потребляет 85 Вт электроэнергии;
- может давать ток 4 А;
- длительность импульса при циклической зарядке — 15-75 секунд
- оптимальный диапазон рабочих температур -10 +40 градусов Цельсия.
Необходим мониторинг операций. В конце концов, это не автоматическая зарядка.
Есть и недостаток: невозможность зарядки батарей, на клеммах которых напряжение менее 10 В. Это приведет к срабатыванию защиты.
Модель Кедр Авто 4А
Среди лидеров рынка — зарядные устройства от НИИПП, которые идут под названием Kedr Auto 4A. Более современное устройство с расширенными возможностями.
Он также предназначен для свинцово-кислотных источников питания 12 В. Однако проблематично работать с батареями емкостью более 60 Ач. Он может не справиться.

Имеется 3 основные функции:
- Циклическая зарядка. Устойчив к воздействию сульфатации. Пользователи отмечают высокую эффективность режима десульфатации.
- Автоматическое отключение питания. Автоматическое отключение зарядного устройства по окончании процесса зарядки. Предотвращает перезарядку.
- Защита. Защищает от короткого замыкания и неправильного подключения. Также предотвращает воздействие скачков напряжения и перегрузок.
К основным особенностям относятся:
- Ток зарядки до 4 А;
- Работа от сети 220 В;
- Ориентация на батарею 12 В;
- Номинальная потребляемая мощность 85 Вт;
- Весит приблизительно 2,5 кг;
- Работает в диапазоне температур от -10 до +40 градусов Цельсия.
Недорогая, но практичная модель. Его стоимость оправдана на 100%.
«Кедр-Авто 10»
Это устройство является улучшенной версией Cedar Auto 4A. Его можно использовать так же, как и его предшественника.
Особенности Kedr Auto 10 заключаются в следующем:
- Пересмотрен для лучшей защиты от перегрузки, переполюсовки, перегрузки, короткого замыкания любого типа;
- Новый предпусковой режим после повышения тока на 10 А для ускоренной зарядки;
- После окончания зарядки батареи зарядное устройство автоматически переключается в режим постзарядки с усилением тока на 0,5 А. Это предотвращает повреждение батареи в результате перезарядки;
- Срок службы увеличивается до 5 лет при соблюдении указанных условий эксплуатации;
Внимание. Вес зарядного устройства уменьшился до 600 г
В результате КЕДР-авто 10 демонстрирует очень высокий рейтинг среди аналогичных устройств других производителей.
Линейка моделей ЗУ «Кедр»
«Кедр-М»
Многофункциональное ЗУ, предназначенное для осуществления зарядки необслуживаемых/обслуживаемых автомобильных аккумуляторов ёмкостью 30-90 А*час, для проведения процедуры десульфатации пластин, для длительного поддержания в рабочем состоянии простаивающих батарей.
- выполнение зарядки аккумулятора в автоматическом режиме (исключается человеческий фактор);
- возможность задействовать циклический режим, применяемый для восстановления ёмкости сильно сульфатированных батарей;
- защита от переполюсовки и КЗ;
- наличие режима дозарядки.
В комплект поставки включены кабели с качественными зажимами, которые вместе с сетевым шнуром расположены в отсеке устройства, находящемся с обратной стороны прибора.
При работе ЗУ «Кедр-М» следует избегать контактов с токопроводящими поверхностями – это опасно для жизни. Нельзя осуществлять заправку АКБ ближе 1 метра к любым отопительным приборам, а также источникам открытого огня.
- номинал напряжения заряжаемых АКБ – 12 В (стандарт для легковых авто);
- ток заряда – max 4 А;
- протяжённость импульсного тока в фазе заряда циклического режима – 20-75 секунд;
- длительность импульсного тока (фаза разряда) – 5-25 секунд;
- мощность устройства – 85 Вт; использования – 10-40°С.
При попытке зарядить батарею, разница потенциалов которой на выводах менее 10 В, отечественный прибор уходит в защиту и отключается.
«Кедр-М» допускает смену режимов «на лету» без отключения прибора от розетки. Если АКБ севшая, начальный ток зарядки устанавливается на отметке 4 А, и это значение по мере зарядки будет уменьшаться. Завершая процесс, ЗУ отключится и сообщит об этом моргающим светодиодом.
При использовании циклического режима начальное время зарядки составляет 45 секунд, затем наступает фаза разрядки при подключенной нагрузке. Автоматическое отключение не предусмотрено, поэтому процесс нуждается в контроле со стороны автовладельца.
Зарядные устройства «Кедр-Авто», версии 4А и 12В
Самые надёжные модели (особенно 4А) «Кедр-Авто» умеют работать только со свинцово-кислотными АКБ, включая зарядку и возможность тренировками посредством циклов заряд-разряд.
Какой бензин экономичнее?
А92А95
Здесь также отсутствует отсек для шнура питания – он встроенный и подключён со стороны задней стенки.
- работает с 12-вольтовыми АКБ;
- мощность устройства – 90 Вт;
- ток заряда – максимум 4 А (для АКБ большой ёмкости такой прибор не годится).
«Кедр-Авто-10» – модель зарядно-предпускового устройства
Представляет собой «продвинутый» и специализированный вариант зарядника «Кедр-Авто 4А».
В новой зарядке в число отличий от аналога 2008 года выпуска входят следующие:
- улучшенная схематика защиты от переполюсовки, перегрузки, всех разновидностей КЗ;
- имеется предпусковой режим, отсутствующий ранее (так называемый «форсаж»). Это функция ускоренной зарядки 10-амперным током, после которой ЗУ переходит на обычный 4-амперный режим;
- добавлена возможность производить циклическую десульфатацию пластин;
- при выборе автоматического режима «Кедр-Авто-10» после завершения основной части подзарядки переходит в режим дозаряда с током 0,5 А, что позволяет осуществить максимально полную зарядку АКБ без нанесения вреда посредством перезаряда;
- номинальный тока зарядка в режиме «автомат» – 4 ампера;
- производитель увеличил срок службы ЗУ до 5 лет при условии соблюдения требований, изложенных в руководстве по эксплуатации;
- конструкторам удалось снизить массу устройства до 600 г. – это один из лучших показателей в данном классе.
Линейка моделей ЗУ «Кедр»
«Кедр-М»
Многофункциональное ЗУ, предназначенное для осуществления зарядки необслуживаемых/обслуживаемых автомобильных аккумуляторов ёмкостью 30-90 А*час, для проведения процедуры десульфатации пластин, для длительного поддержания в рабочем состоянии простаивающих батарей.
Возможности прибора модификации «М»:
- выполнение зарядки аккумулятора в автоматическом режиме (исключается человеческий фактор);
- возможность задействовать циклический режим, применяемый для восстановления ёмкости сильно сульфатированных батарей;
- защита от переполюсовки и КЗ;
- наличие режима дозарядки.
В комплект поставки включены кабели с качественными зажимами, которые вместе с сетевым шнуром расположены в отсеке устройства, находящемся с обратной стороны прибора.
При работе ЗУ «Кедр-М» следует избегать контактов с токопроводящими поверхностями – это опасно для жизни. Нельзя осуществлять заправку АКБ ближе 1 метра к любым отопительным приборам, а также источникам открытого огня.
Основные характеристики модели:
- номинал напряжения заряжаемых АКБ – 12 В (стандарт для легковых авто);
- ток заряда – max 4 А;
- протяжённость импульсного тока в фазе заряда циклического режима – 20-75 секунд;
- длительность импульсного тока (фаза разряда) – 5-25 секунд;
- мощность устройства – 85 Вт;
- температурный диапазон использования – 10-40°С.
Краткое описание алгоритма функционирования: первый переключатель должен пребывать в положении «заряд», второй – переключаться в зависимости от типа зарядки (возможны два значения – непрерывный и циклический заряд). Непрерывный используется для классической зарядки аккумулятора, циклический – для десульфатации пластин, требует подключения по параллельной схеме нагрузки в виде 12-ваттной автомобильной лампы на 6 Вт.
При попытке зарядить батарею, разница потенциалов которой на выводах менее 10 В, отечественный прибор уходит в защиту и отключается.
«Кедр-М» допускает смену режимов «на лету» без отключения прибора от розетки. Если АКБ севшая, начальный ток зарядки устанавливается на отметке 4 А, и это значение по мере зарядки будет уменьшаться. Завершая процесс, ЗУ отключится и сообщит об этом моргающим светодиодом.

При использовании циклического режима начальное время зарядки составляет 45 секунд, затем наступает фаза разрядки при подключенной нагрузке. Автоматическое отключение не предусмотрено, поэтому процесс нуждается в контроле со стороны автовладельца.
Зарядные устройства «Кедр-Авто», версии 4А и 12В
Самые надёжные модели (особенно 4А) «Кедр-Авто» умеют работать только со свинцово-кислотными АКБ, включая зарядку и возможность тренировками посредством циклов заряд-разряд.
Здесь также отсутствует отсек для шнура питания – он встроенный и подключён со стороны задней стенки.
Основные характеристики моделей:
- работает с 12-вольтовыми АКБ;
- мощность устройства – 90 Вт;
- ток заряда – максимум 4 А (для АКБ большой ёмкости такой прибор не годится).
«Кедр-Авто-10» – модель зарядно-предпускового устройства
Представляет собой «продвинутый» и специализированный вариант зарядника «Кедр-Авто 4А».

В новой зарядке в число отличий от аналога 2008 года выпуска входят следующие:
- улучшенная схематика защиты от переполюсовки, перегрузки, всех разновидностей КЗ;
- имеется предпусковой режим, отсутствующий ранее (так называемый «форсаж»). Это функция ускоренной зарядки 10-амперным током, после которой ЗУ переходит на обычный 4-амперный режим;
- добавлена возможность производить циклическую десульфатацию пластин;
- при выборе автоматического режима «Кедр-Авто-10» после завершения основной части подзарядки переходит в режим дозаряда с током 0,5 А, что позволяет осуществить максимально полную зарядку АКБ без нанесения вреда посредством перезаряда;
- номинальный тока зарядка в режиме «автомат» – 4 ампера;
- производитель увеличил срок службы ЗУ до 5 лет при условии соблюдения требований, изложенных в руководстве по эксплуатации;
- конструкторам удалось снизить массу устройства до 600 г. – это один из лучших показателей в данном классе.
Основные характеристики модели:
- габариты – 185х90х130 мм.;
- величина тока зарядки при предпусковом режиме – 10 А;
- выходная мощность «Кедр-Авто-10» — 250 Вт;
- номинал тока зарядки аккумуляторов – 4 А;
- номинал вольтажа заряжаемых АКБ – 12 В (стандарт для легковых авто).

Время зарядки аккумулятора «Кедр-Авто»-4/10 зависит от ёмкости батареи и степени её разряженности. 10-я модель оснащена микропроцессором, способным взять на себя управление процессом зарядки, включая предпусковой режим. Модель 10А является незначительно усовершенствованным вариантом предшественника «Кедр-Авто-10» при таких же технических характеристиках.
Схема доработки

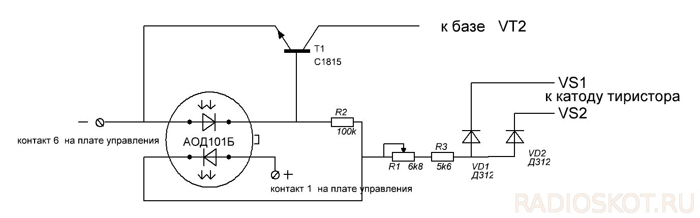
Итак, схема доработки, которую позволил себе, извините за каламбур, немного доработать. Вместо транзистора КТ315 поставил С1815, а номинал переменного резистора сократил до 6к8, вместо авторских 10к. Регулировка тока стала более плавной. Диоды были указаны как «любые», под рукой оказались Д312. Резисторы поставил с запасом мощности.

Схему собрал на временной плате. Проба она и есть проба, чего уж здесь «расшаркиваться». Переменный резистор стоит ещё на 10к.

Всё подключил и запустил. Аккумулятор оказался разряженным сверх меры так, что пришлось в параллель к нему добавить старенькую крону (которая после этих процедур очень даже взбодрилась). Схема регулировки оказалась рабочей на все 100%. Регулирует ток от 0 и до максимума того что способен потянуть заряжаемый аккумулятор.

Окончательная сборка схемы выполнена на внутренней части лицевой панели зарядного устройства навесным монтажом. Базовой деталью монтажа послужил потенциометр, точнее его выводы. Регулятор потенциометра выведен на переднюю панель.

Всё вошло и как-то даже свободного места, на первый взгляд, не убавилось. Ну а раз место есть думаю, имеет смысл подумать и о дальнейшем совершенствовании зарядного устройства. Верно, говорят – «Аппетит приходит во время еды».

Внешность зарядного устройства, конечно же, изменилась. Нет перекрученных и спутанных проводов. При необходимости могут быть подсоединены любые нужной длины. Одним словом на лицо компактность устройства. Упростилось и его хранение. Ручка потенциометра придала передней панели более интересный вид, вот только полностью смыть название не удалось (даже ацетоном). Уж производитель постарался, чтобы его изделие не осталось безымянным Автор – Babay iz Barnaula
Правила и советы по эксплуатации
Для начинающего пользователя важно ознакомиться с инструкциями к зарядным устройствам Кедр для работы с автомобильными аккумуляторами. Объективно ничего сложного тут нет
В большей степени это касается моделей 4А и 10А. Их производство продолжается. А Кедр М всё же устарела
Объективно ничего сложного тут нет. В большей степени это касается моделей 4А и 10А. Их производство продолжается. А Кедр М всё же устарела.
Бывалым автомобилистам не сложно будет разобраться с тем, как пользоваться купленным зарядным устройством бренда Кедр. Для восстановления и обслуживания аккумулятора производитель предлагает подробную инструкцию.
Фактически автомобилиста интересуют 2 режима: Автомат и Цикл.
Автомат
Для начала о том, как заряжать правильно обслуживаемый аккумулятор, пользуясь зарядным устройством Кедр через режим Автомат.
В качестве примера будет использоваться Кедр 4А. Самая популярная модель в России и в странах СНГ.
Чтобы зарядить аккумулятор, потребуется воспользоваться устройством Кедр, включив режим Автомат. Последовательность такая:
- выберите сухое и проветриваемое место для зарядки;
- подключите клеммы зарядки к АКБ, строго соблюдая полярность;
- переключите девайс в нужный режим с пометкой Автомат;
- вставьте вилку ЗУ в бытовую исправную розетку;
- дождитесь начала, а затем и завершения процесса.
Когда автозаряд будет закончен, на приборе загорится специальный индикатор.
Остаётся отключить разъёмы. Первой извлекается вилка из розетки. Потом нужно взять минус, и затем уже плюс.
А подключение проводится в обратной последовательности. Сначала соединяется минус, а за ним следует плюс.
Цикл
Второй режим — это Цикл. Актуален для тех батарей, которые пострадали от сульфатации. А это распространённое явление среди свинцово-кислотных батарей, эксплуатируемых в городском режиме.
С помощью этого режима выполняется десульфатация. Процесс, обратный сульфатации. Это способствует разрушению налёта, который препятствует нормальному течению физико-химических процессов внутри АКБ.
Процедура выглядит так:
- если батарея разряжена до 10,3-10,9 В, нужно начинать зарядку;
- сначала АКБ полностью заряжается;
- затем к выводам батареи подключается автомобильная лампа около 6 Ватт;
- соблюдая полярность, АКБ соединяется с зарядным оборудованием;
- включается режим с пометкой Цикл;
- загорается индикатор, который гаснуть не будет;
- ЗУ подключается к бытовой и обязательно исправной розетке на 220 В;
- начинается циклический процесс зарядки и разрядки источника питания.
Суть десульфатации в режиме Цикл заключается в том, что сначала батарея заряжается, затем разряжается, и снова восполняет заряд. Автомобильная лампа используется как нагрузка, чтобы ускорить процесс потери заряда.
При циклическом повторении таких действий налёт разрушается и АКБ возвращает утраченную ёмкость.
Так поступают в основном с обслуживаемыми источниками питания. Учитывайте, что здесь автоотключение срабатывать не будет. За процессом придётся следить и регулировать вручную. Выполнив нужное количество циклов, устройство отключается пользователем.
Также перед началом процедуры следует открутить пробки на банках (секциях) свинцово-кислотной батареи. А после завершения сначала ЗУ отключается от бытовой сети, и потом только можно разъединять клеммы.
ЗУ от НИИПП марки Кедр стоят своих денег. За несколько тысяч рублей можно взять зарядку, которая прослужит минимум 5-10 лет.
Приходилось ли пользоваться ЗУ Кедр? Какие ваши впечатления? Лучшая модель? В чём их недостатки?
Подписывайтесь, задавайте вопросы и рассказывайте друзьям о нашем проекте!
Подготовка к работе и порядок работы
Перед началом эксплуатации устройства необходимо изучить правила по уходу и эксплуатации аккумуляторных батарей.
Открыть крышку в задней стенке зарядного устройства и извлечь шнуры. Установить тумблер включения автоматики в положение «ЗАРЯД».
Тумблер режима заряда «НЕПРЕРЫВНЫЙ-ЦИКЛИЧЕСКИЙ» позволяет выбрать режимы заряда аккумуляторной батареи.
Если необходимо зарадить аккумуляторную батарею, тумблер режима заряда
переключить в положение «НЕПРЕРЫВНЫЙ».
При необходимости формовки или десульфатации пластин, при снижении емкости аккумуляторной батареи тумблер выбора режима заряда переключить, в «ЦИКЛИЧЕСКИЙ». К клеммам аккумуляторной батареи подключить нагрузку (лампочку 12V 6 Вт).
Подключить, соблюдая полярность, шнур при помощи зажимов к аккумуляторной батарее.
Электронная защита устройства «Кедр-М» от короткого замыкания и неправильного подключения полярности выполнена таким образом, что на выходе зарядный ток появляется только в том случае, если к выходным клеммам подключен источник напряжения (аккумуляторная батарея) напряжением не менее 10В.
Лампочка, подключенная к клемам зарядного устройства, гореть не будет, так как она не является источником напряжения.
Работа в режиме заряда аккумулятора.
Переключение режимов работы устройства «ЦЕПРЕРЫВНЫЙ-ЦИКЛИЧЕСКИЙ» и «ЗАРЯД-ДОЗАРЯД» можно производить в процессе заряда аккумуляторной батареи не отключая его от сети.
Подключить вилку сетевого шнура питания 220 В, при этом начинается процесс заряда аккумуляторной батареи, о чем свидетельствуют показания амперметра.
Ток заряда полностью разряженной аккумуляторной батареи в начале заряда может сосгавитъ 4 А и более, дальше в процессе заряда ток будет уменьшаться.
При достижении заряда аккумуляторной батареи происходит автоматическое отключение зарядного устройства, о чем свидетельствует свечение светодиода «ОКОНЧАНИЕ ЗАРЯДА»
Переключить тумблер включения автоматики в режиме «ДОЗАРЯД» и продолжить заряд аккумуляторной батареи. Батарея считается полностью заряженной, если в процессе заряда плотность электролита не меняется в течение двух часов.
В циклическом режиме заряда после каждых 45 секунд заряда в течение 15 секунд происходит разряд аккумуляторной батареи через подключенную к аккумуляторной батарее нагрузку (лампочку).
В положении «ЦИКЛИЧЕСКИЙ» или «ДОЗАРЯД» автоматика выключается.
Кедр Авто 5 схема
Саму схему я срисовал непосредственно с самой зарядки, поэтому возможно какие-то неточности. Хотя проверил несколько раз, буду надеяться, что фатальных ошибок я не допустил. Чтобы было проще разобраться с компонентами, всю схему я разделил на две части, из которых одна часть, это плата управления. Ну, собственно на самом деле оно так и есть. Она с основной платой соединяется тремя проводами: красный, черный, желтый, на схеме они подписаны:


Обратите внимание, что блок питания постоянно выдаёт 14,9 вольта на выходе, а коммутация всех режимов происходит при помощи полевого транзистора VT2, который в свою очередь управляется при помощи платы управления, построенной на микросхеме ATTINY26L-85U:


У зарядного устройства всего 2 режима. При помощи режима автомат, аккумулятор заряжается до напряжения 14,9 вольт, а затем ток резко падает до очень маленького значения и поддерживается в таком состоянии неограниченно долго, при этом выкипание дистиллированной воды с аккумулятора не происходит. При помощи второго режима организована так называемая «до зарядка» аккумулятора и режим десульфатации. В этом режиме происходит периодическое включение зарядного тока, а затем отключение его с интервалом 45/15 секунд. При этом производитель рекомендует к клеммам аккумулятора подключить малогабаритную лампочку на 12 вольт, мощностью 6-12 Ватт. Более подробно ознакомиться о работе зарядного устройство Кедр Авто 5, можно скачав инструкцию по применению в конце статьи:

О том, какой режим используется в данное время, сигнализирует светодиод, который расположен над своей кнопкой:


Питается плата управления при помощи стабилизированного напряжения, которое подаётся через КР142ЕН5А:


Основная плата зарядного устройства Кедр Авто 5 выглядит вот так:


Как видите, в правом верхнем углу расположен штамп, на котором указана дата изготовления 2010 год.
Так как на плате применён SMD монтаж, то компоновка радиокомпонентов получилась достаточно плотная. Выпрямительный сдвоенный диод шоттки VD3, VD4 и силовой полевой транзистор VT1 расположены на теплоотводе. Коммутирующий транзистор VT2 не имеет теплоотвода, так как внутреннее сопротивление его мало:




Для поддержания постоянного напряжения 14,9 вольта, используется управляемый стабилитрон TL431 и оптопара, при помощи которой осуществляется гальваническая развязка низковольтный части с высоковольтной части зарядного устройства:



Кедр авто 5 инструкция по применению
У рассматриваемого зарядного устройства имеются некоторые особенности его эксплуатации
Прежде всего, хотелось бы заострить Ваше внимание на том, что полностью разряженный аккумулятор это зарядное устройство не может зарядить. Дело в том, что если напряжение на аккумуляторе упадёт ниже 8 Вольт, то зарядное устройство при помощи транзистора VT2 не может подключить к аккумулятору
Поэтому это следует помнить и не допускать глубоких разрядов аккумулятора. Как говорит производитель, это не является неисправностью устройства. Из этой особенности вытекает ещё одно неудобство. Дело в том, что вы не можете подключить, допустим, простую лампочку накаливания к зарядному устройству, она не будет гореть. То есть прибор нельзя использовать как источник питания в отличие от Орион PW325. Чтобы более подробно изучить прибор смотрим инструкцию:
Инструкция по применению «зарядное устройство Кедр авто 5»
скачать 108 кб PDF
Как я упоминал выше, зарядное устройство имеет некоторые особенности. В процессе изучения этого прибора я обнаружил, что если кратковременно замкнуть сток исток транзистора VT2, то транзистор открывается и остаётся в открытом положении. На крокодилах плюс и минус зарядного устройства появляется напряжение 14,9 Вольт. Кому это необходимо, можно вывести отдельно кнопку без фиксации, и при помощи этой кнопки включать зарядное устройство принудительно. Тем самым можно будет заряжать полностью разряженный аккумулятор, а также появится возможность использовать зарядное устройство Кедр, как источник питания.
На этом буду завершать свой обзор зарядного устройства Кедр Авто 5. Надеюсь, мой рассказ, и принципиальная схема зарядного устройства вам поможет в ремонте. Всем пока.
Функциональные особенности прибора Авто 10-А
![]()
Данное зарядное устройство Авто 10-А предназначено для регенерации заряда на аккумуляторах с напряжением 12 Вольт. Сам процесс зарядки АКБ (основной цикл) полностью автоматизирован и происходит путем подсоединения заряжающего прибора к контактам источника питания, длящийся до 100% регенерации заряда (при этом конструктивные особенности не позволяют проводить зарядку с точными параметрами силы тока). Наибольшее значение силы тока в продолжении всего цикла равно 5 Амперам на контактах источника питания.
Для полной регенерации АКБ следует подавать на клеммы около 10% от ее емкости на протяжении почти десяти часов. Поэтому учитывая эти данные следует помнить, что если планируется подзарядка аккумуляторов большой емкости, то следует быть готовым к большим временным издержкам.
Правила эксплуатации на примере «Кедр-Авто 4А»
«Кедр-Авто 4А» — наиболее распространенная модель в рассматриваемой линейке зарядных устройств. Вследствие этого стоит рассмотреть правила эксплуатации и принцип работы именно на примере данного ЗУ.
Перед началом работы клеммы ЗУ подключают, с соблюдением полярности, к токовыводам аккумулятора и подсоединяют зарядное устройство к сети 220В.
Прибор предназначен для работы в 2-х режимах: «автомат» и «цикл, у каждого из которых имеются свои особенности. Первый обеспечивает восстановление АКБ путем десульфатации. Второй исключает вмешательство человека. ЗУ самостоятельно выбирает уровень тока, который постепенно снижается, отключая прибор при достижении напряжения АКБ в 13.2 В.
Разберем работу на режиме «Автомат»:
- для активации данного режима следует лишь перевести переключатель в соответствующее положение. После чего сразу же начнется зарядка;
- о завершении процесса будет сигнализировать индуктор — он начинает светиться;
- после окончания работы ЗУ надо отключить от сети, затем отсоединить зажим от токовывода «-» АКБ, а только потом от «+».
Перед тем как активировать режим «Цикл», который обеспечивает десульфатацию пластин АКБ, к аккумулятору надо подключить лампу постоянного тока напряжением 12 В и мощностью от 6 Вт. Заглушки банок на время работы прибора следует вывинтить.
«Кедр» заряжает батарею 45 сек, затем отключается. После этого 15 сек лампочка аккумулятор разряжает. Само ЗУ автоматически не выключается, прерывать процесс следует самостоятельно.
Осторожно! Специалисты рекомендуют десульфатацию автономного источника питания осуществлять около 8 часов. Устройство автоматически работу не прекращает
Вследствие этого отключать его следует вручную.
Видео о том, что представляет собой ЗУ «Кедр-Авто 4А» и как его правильно эксплуатировать:
https://youtube.com/watch?v=GPrLPtSw1ps






























